г.Абакан, ул.Игарская, 5 (район "АЯН")+7-901-678-9999 +7-961-093-72-71 |
г.Абакан, ул.Фабричная, 25+7-901-678-0000 |
г.Минусинск, ул.Чайковского, 49+7-901-678-7777 8-(3913)-25-06-60 |
| ГЛАВНАЯ | АССОРТИМЕНТ | КАТАЛОГИ | ДОСТАВКА | КОНТАКТЫ |
|
№ |
Наименование |
Артикул |
Кол-во, штук |
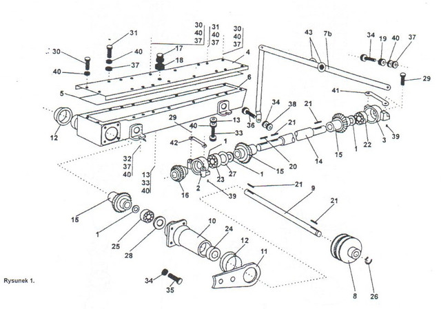
| Рычажный механизм, комплект (позиции 2,3,4,5,6,23,28,29,30,31) | 8245-0360020-068 | 1 | |
| -Цепь с крюком (позиция 10,11,32) | 8245-036-020-259 | 1 | |
| 1 | Штифт 3,5x40 | 8245-036-020-643 | 3 |
| 2 | Передняя тяга, комплект | 8245-036-020-070 | 1 |
| 3 | Кованая головка | 8245-036-020-083 | 1 |
| 4 | Хомут | 8245-036-020-096 | 1 |
| 5 | Муфта передней тяги | 8245-036-020-103 | 2 |
| 6 | Штырь B25h9x55/45-5H | PN-90/M-83002 | 1 |
| 7 | Рама навески, комплект | 8245-036-020-656 | 1 |
| 8 | Шарнир | 8245-036-020-131 | 1 |
| 9 | Переключатель, комплект | 8245-036-020-220 | 1 |
| 10 | Крюк | 8245-036-020-261 | 1 |
| 11 | Цепь, комплект | 8245-036-020-274 | 1 |
| 12 | Втулка шарнира | 8245-036-020-389 | 1 |
| 13 | Хомут | 8245-036-020-391 | 1 |
| 14 | Отгибающаяся подкладка | 8245-036-020-424 | 1 |
| 15 | Задняя втулка шарнира | 8245-036-020-437 | 1 |
| 16 | Шайба | 8245-036-020-480 | по |
| 17 | Шайба | 8245-036-020-493 | потреб. |
| 18 | Пружина защёлки | 8245-036-020-526 | 1 |
| 19 | Шайба | 8245-036-020-539 | 1 |
| 20 | Штифт 3,5x40 | 8245-036-020-541 | 3 |
| 21 | Подкладка 23 Fe/Zn5 | PN-78/M-82005 | 3 |
| 22 | Шайба | 8245-036-020-567 | 1 |
| 23 | Штырь B 22h9x55/45-5H | PN-90/M-83002 | 2 |
| 24 | Стопорное кольцо Z16 | PN-81/M-85111 | 1 |
| 25 | Винт M12x100-8.8-A-Fe/Zn8c | PN-85/M-82101 | 1 |
| 26 | Гайка M12-8-A-Fe/Zn8c | PN-86/M-82144 | 2 |
| 27 | Гайка M20x1,5-0.6-A-Fe/Zn8c | PN-86/M-82153 | 1 |
| 28 | Шайба 23 Fe/Zn5 | PN-78/M-82005 | 1 |
| 29 | Шайба 25 Fe/Zn5 | PN-78/M-82005 | 1 |
| 30 | Чека S-Zn-5x36 | PN-76/M-82001 | 2 |
| 31 | Чека S-Zn-6x40 | PN-76/M-82001 | 1 |
| 32 | Пружинный штифт 5x40 Fe/Zn5 | PN- 89/M-85023 | 1 |
| 33 | Пружинный штифт 6x40 Fe/Zn5 | PN- 89/M-85023 | 3 |
| 34 | Шайба 17 Fe/Zn5 | PN-78/M-82005 | 1 |
| 35 | Шплинт A11x50 Fe/Zn5 | BN-81/ 1902-31 | 1 |

|
№ |
Наименование |
Артикул |
Кол-во, штук |
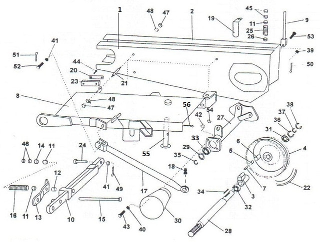
| Приводной вал, комплект (позиции 8,9,10,11,12,21,24,25,26,28) | 8245-036-010-248 | 1 | |
| 1 | Регулирующая шайба d 25x35x0,1 | 8245-036-010-098 | по |
| Регулирующая шайба d 25x35x0,3 | 8245-036-010-105 | необ. | |
| Регулирующая шайба d 25x35x0,5 | 8245-036-010-118 | ||
| Регулирующая шайба d 25x35x1,0 | 8245-036-010-120 | ||
| 2 | Корпус подшипника левый | 8245-036-010-187 | 1 |
| 3 | Корпус подшипника правый | 8245-036-010-190 | 1 |
| 4 | Крышка коробки передач | 8245-036-010-658 | 1 |
| 5 | Уплотнитель | 8245-036-010-210 | 1 |
| 6 | Коробка передач | 8245-036-010-810 | 1 |
| 7 | Тяга, комплект | 8245-105-000-021 | 1 |
| 8 | Малый ремённый шкив Dp=132 | 8245-036-010-250 | 1 |
| 9 | Приводной вал | 8245-036-010-263 | 1 |
| 10 | Втулка | 8245-036-010-276 | 1 |
| 11 | Задняя панель | 8245-036-010-289 | 1 |
| 12 | Несущая втулка | 8245-036-010-291 | 2 |
| 13 | Уплотняющая втулка | 8245-036-010-337 | 8 |
| 14 | Приводной вал | 8245-036-010-352 | 1 |
| 15 | Коническое колесо большое, комплект | 8245-036-010-673 | 3 |
| 16 | Коническое колесо малое, комплект | 8245-036-010-066 | 1 |
| 17 | Клапан | 8245-036-010-044 | 1 |
| 18 | Шайба | 8245-036-010-053 | 1 |
| 19 | Втулка 13x14 | 8245-036-010-719 | 1 |
| 20 | Призматический шпунт A8x7x36 | PN-70/M-85005 | 1 |
| 21 | Призматический шпунт A8x7x50 | PN-70/M-85005 | 4 |
| 22 | Шарикоподшипник 6205 | PN-85/M-86100 | 1 |
| 23 | Шарикоподшипник 6305 | PN-85/M-86100 | 1 |
| 24 | Шарикоподшипник 6305 2Z | PN-85/M-86100 | 1 |
| 25 | Радиально-упорный шарикоподшипник B 7305 | PN-87/M-86160 | 1 |
| 26 | Стопорное пружинящее кольцо Z25 | PN-81/M-85111 | 1 |
| 27 | Стопорное пружинящее кольцо W62 | PN-81/M-85111 | 1 |
| 28 | Уплотняющее кольцо A25x52x7 | PN-72/M-86964 | 1 |
| 29 | Винт M10x60-8.8-A-Fe/Zn8c | PN-85/M-82101 | 4 |
| 30 | Винт M10x20-8.8-A-Fe/Zn8c | PN-85/M-82101 | 14 |
| 31 | Винт M10x25-8.8-A-Fe/Zn8c | PN-85/M-82101 | 8 |
| 32 | Винт M10x30-8.8-A-Fe/Zn8c | PN-85/M-82101 | 5 |
| 33 | Винт M10x35-8.8-A-Fe/Zn8c | PN-85/M-82101 | 8 |
| 34 | Пружинная шайба 12,2-Fe/Zn5 | PN-77/M-82008 | 5 |
| 35 | Винт M12x25 -8.8-A-Fe/Zn8c | PN-85/M-82101 | 4 |
| 36 | Винт M12x30-8.8-A-Fe/Zn8c | PN-85/M-82101 | 1 |
| 37 | Гайка a M10 - 8-A-Fe/Zn8c | PN-86/M-82144 | 25 |
| 38 | Гайка M12 - 8-A-Fe/Zn8c | PN-86/M-82144 | 1 |
| 39 | Цилиндрический штифт 6x16-A | PN-89/M-85021 | 4 |
| 40 | Пружинная шайба 10,2-Fe/Zn5 | PN-77/M-82008 | 35 |
| 41 | Подкладка с двумя отверстиями, отгибающаяся | 8245-036-010-632 | 1 |
| 42 | Подкладка с двумя отверстиями, отгибающаяся | 8245-036-010-632 | 1 |
| 43 | Круглый отражатель O-III-I-II-72KM (оранжевый) | PN-80/S-83100 | 2 |

| 1 | Правый кожух | 8245-105-020-060 | 1 |
| 2 | Левый кожух | 8245-105-020-072 | 1 |
| 3 | Кованый валик | 8245-105-020-172 | 1 |
| 4 | Ремённый шкив | 8245-105-020-185 | 1 |
| 5 | Болт бруса | 8245-105-020-198 | 1 |
| 6 | Втулка | 8245-105-020-205 | 1 |
| 7 | Пружина валика | 8245-105-020-218 | 2 |
| 8 | Центральный брус, сварной | 8245-105-020-233 | 1 |
| 9 | Пруток натяжника, компл., сварной | 8245-036-020-246 | 1 |
| 10 | Замок сварной | 8245-036-020-290 | 1 |
| 11 | Седло пружины | 8245-036-020-307 | 3 |
| 12 | Дистанционная втулка | 8245-036-020-310 | 1 |
| 13 | Защёлка | 8245-036-020-322 | 1 |
| 14 | Подкладка | 8245-036-020-335 | 1 |
| 15 | Винт M14x260 | 8245-036-020-348 | 1 |
| 16 | Пружина предохранителя | 8245-036-020-350 | 1 |
| 17 | Транспортная балка, комп л. | 8245-036-020-363 | 1 |
| 18 | Втулка | 8245-036-020-376 | 1 |
| 19 | Угольник | 8245-036-020-409 | 1 |
| 20 | Двойная отгибающаяся под кладка | 8245-036-020-411 | 1 |
| 21 | Двусторонний винт | 8245-036-020-017 | 4 |
| 22 | Комплект клиновых ремней 4A 2932 | PN-86/M-85200/06 | 1 |
| 23 | Накладка | 8245-036-020-465 | 1 |
| 24 | Штырь B 18h11x65/58,5 | PN-90/M-83002 | 1 |
| 25 | Пружина натяжника | 8245-036-020-500 | 1 |
| 26 | Подкладка | 8245-036-020-513 | 1 |
| 27 | Труба приводной головки, компл. | 8245-036-020-684 | 2 |
| 28 | Вал головки | 8245-036-020-602 | 1 |
| 29 | Уплотняющее кольцо A30x6 0x5 | PN-72/M-86964 | 1 |
| 30 | Кожух, комплект | 8245-036-020-717 | 1 |
| 31 | Шарикоподшипник 6009-2RS | PN-85/M-86100 | 1 |
| 32 | Шарикоподшипник 6009-2RS | PN-85/M-86100 | 1 |
| 33 | Шарикоподшипник 6009-2RS | PN-85/M-86100 | 1 |
| 34 | Призматический шпунт A8x 7x56 | PN-70/M-85005 | 1 |
| 35 | Стопорное пружинящее кольцо -Z35 | PN-81/M-85111 | 1 |
| 36 | Стопорное пружинящее кольцо W75 | PN-81/M-85111 | 1 |
| 37 | Стопорное пружинящее кольцо Z45 | PN-81/M-85111 | 1 |
| 38 | Стопорное пружинящее кольцо Z30 | PN-81/M-85111 | 1 |
| 39 | Шайба 17 Fe/Zn5 | PN-78/M-82006 | 1 |
| 40 | Круглая шайба 8,4-Fe/Zn9 | PN-78/M-82005 | 4 |
| 41 | Шайба - 19 Fe/Zn5 | PN-78/M-82005 | 2 |
| 42 | Пружинная шайба 8,2-Fe/Z n9 | PN-77/M-82008 | 4 |
| 43 | Винт - M8x25-8,8-A-Fe/Z n8c | PN-85/M-82105 | 4 |
| 44 | Винт M8x30-8,8-A-Fe/Zn8c | PN-85/M-82105 | 2 |
| 45 | Гайка M16-8-A-Fe/Zn8c | PN-86/M-82144 | 2 |
| 46 | Гайка M14-8-A-Fe/Zn8c | PN-86/M-82144 | 2 |
| 47 | Гайка M10-8-A-Fe/Zn8c | PN-86/M-82144 | 8 |
| 48 | Пружинная шайба 10,2-Fe/ Zn9 | PN-77/M-82008 | 8 |
| 49 | Пружинный штифт 6x32 Fe/Zn5 | PN-89/M-85025 | 1 |
| 50 | Чека S-Zn 4x25 | PN-76/M-82001 | 1 |
| 51 | Чека S-Zn 4x32 | PN-76/M-82001 | 1 |
| 52 | Штырь B 18h11x50/42 | PN-90/M-83002 | 1 |
| 53 | Штырь B 16h9x40/34-5H | PN-90/M-83002 | 1 |
| 54 | Гайка M8-8-A-Fe/Zn8c | PN-86/M-82144 | 4 |
| 55 | Подпорка - | 8245-036-020-760 | 1 |
| 56 | Чека A 6x115 | PN-ISO-7072 | 1 |

| № | Наименование | Артикул | Кол-во, штук |
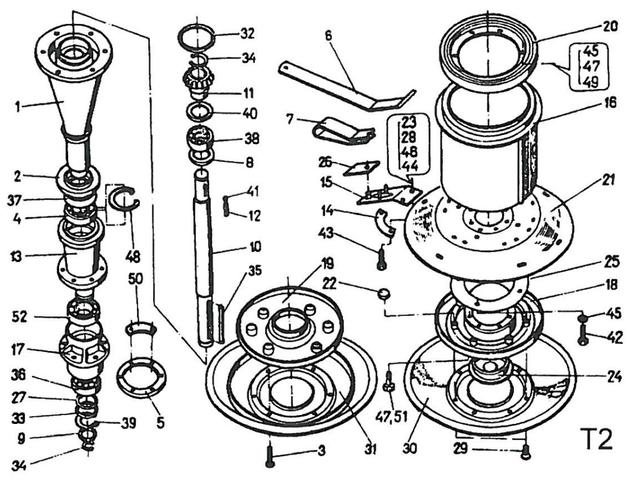
| - | Подшипники барабана | ||
| (позиции 1,2,4,8,9,10,11,12,13,34,35,37,38,40,41,48,52) | 8245-036-010-788 | 2 | |
| 1 | Втулка барабана | 8245-036-010-747 | 2 |
| 2 | Дистанционная защита | 8245-036-010-031 | 2 |
| 3 | Винт M12x50 | 8245-036-000-033 | 12 |
| 4 | Шарикоподшипник 6209 Z | PN-85/M-86100 | 2 |
| 5 | Дистанционное кольцо | 8245-036-000-046 | 2 |
| 6 | Сварной ключ | 8245-036-000-059 | 1 |
| 7 | Монтажные щипцы | 8245-036-000-061 | 1 |
| 8 | Регулирующая шайба Æ 50x62x0,1 | 8245-036-010-057 | по потребности |
| Регулирующая шайба Æ 50x62x0,3 | 8245-036-010-060 | ||
| Регулирующая шайба Æ 50x62x0,5 | 8245-036-010-070 | ||
| Регулирующая шайба Æ 50x62x1,0 | 8245-036-010-085 | ||
| 9 | Регулирующая шайба Æ 25x55x0,1 | 8245-036-010-098 | по потребности |
| Регулирующая шайба Æ 25x55x0,3 | 8245-036-010-105 | ||
| Регулирующая шайба Æ 25x55x0,5 | 8245-036-010-118 | ||
| Регулирующая шайба Æ 25x55x1,0 | 8245-036-010-120 | ||
| 10 | Приводной вал | 8245-036-010-617 | 2 |
| 11 | Малое зубчатое колесо | 8245-036-010-660 | 2 |
| 12 | Призматический шпунт A8x7x32 | PN-70/M-85005 | 2 |
| 13 | Ступица рабочей тарелки | 8245-036-010-790 | 2 |
| 14 | Отгибающаяся подкладка | 8245-036-010-699 | 4 |
| 15 | Держатель ножей, комплект | 8245-036-010-309 | 6 |
| 16 | Кожух барабана, комплект | 8245-036-010-721 | 2 |
| 17 | Ступица скользящей тарелки | 8245-036-010-775 | 2 |
| 18 | Опорная тарелка, комплект | 8245-036-010-340 | 2 |
| 19 | Дистанционная тарелка для высокого скашивания, комплект | 8245-036-000-020 | 2 |
| 20 | Кожух барабана | 8245-036-010-365 | 2 |
| 21 | Рабочая тарелка | 8245-036-010-378 | 2 |
| 22 | Кожух | 8245-036-010-393 | 12 |
| 23 | Конусное кольцо | 8245-036-010-400 | 12 |
| 24 | Кожух | 8245-036-010-413 | 2 |
| 25 | Крышка | 8245-036-010-439 | 2 |
| 26 | Нож | 8245-036-010-454 | 6 |
| 27 | Регулирующая шайба Æ 45x55x1,0 | 8245-036-010-467 | wg potrzeb |
| Регулирующая шайба Æ 45x55x0,3 | 8245-036-010-470 | ||
| Регулирующая шайба Æ 45x55x0,5 | 8245-036-010-482 | ||
| Регулирующая шайба Æ 45x55x1,0 | 8245-036-010-495 | ||
| 28 | Винт M12x25 - 10.9 | 8245-036-010-502 | 12 |
| 29 | Винт M12x25 | 8245-036-010-515 | 12 |
| 30 | Скользящая тарелка, комплект | 8245-036-010-528 | 2 |
| 31 | Скользящая тарелка для высокого скашивания | 8245-036-000-018 | 2 |
| 32 | Круглое уплотняющее кольцо Æ 70x3,5 | 8245-036-010-543 | 2 |
| 33 | Специальная подкладка | 8245-036-010-556 | 2 |
| 34 | Стопорное пружинящее кольцо Z25 | PN-81/M-85111 | 4 |
| 35 | Призматический шпунт A8x7x80 | PN-70/M-85005 | 2 |
| 36 | Шарикоподшипник 6209 2Z | PN-85/M-86100 | 2 |
| 37 | Шарикоподшипник 6210 | PN-85/M-86100 | 2 |
| 38 | Шарикоподшипник 6305 | PN-85/M-86100 | 2 |
| 39 | Стопорное пружинящее кольцо. Z45 | PN-81/M-85111 | 2 |
| 40 | Уплотняющее кольцо B40x62x7 | PN-72/M-86964 | 2 |
| 41 | Фетровый уплотнитель 5x8x12 | PN-77/M-86012 | 2 |
| 42 | Винт M10x20-8.8-A-Fe/Zn8c | PN-85/M-82105 | 20 |
| 43 | Винт M10x25-8.8-A-Fe/Zn8c | PN-85/M-82105 | 8 |
| 44 | Гайка M12-8-A-Fe/Zn8c | PN-86/M-82144 | 12 |
| 45 | Пружинная шайба 10,2-Fe/Zn5 | PN-77/M-82008 | 8 |
| 46 | Пружинная шайба 12,2-Fe/Zn5 | PN-77/M-82008 | 12 |
| 47 | Винт M10x30-8.8-A-Fe/Zn8c | PN-85/M-82105 | 12 |
| 48 | Стопорное пружинящее кольцо W90 | PN-81/M-85111 | 2 |
| 49 | Винт M10x25-8.8-A-Fe/Zn8c | PN-85/M-82105 | 12 |
| 50 | Отгибающаяся подкладка | 8245-036-010-120 | 6 |
| 51 | Винт M10x30-8.8-A-Fe/Zn8c | PN-85/M-82105 | 12 |
| 52 | Шарикоподшипник 6209 2Z | PN-85/M-86100 | 2 |