г.Абакан, ул.Игарская, 5 (район "АЯН")+7-901-678-9999 +7-961-093-72-71 |
г.Абакан, ул.Фабричная, 25+7-901-678-0000 |
г.Минусинск, ул.Чайковского, 49+7-901-678-7777 8-(3913)-25-06-60 |
| ГЛАВНАЯ | АССОРТИМЕНТ | КАТАЛОГИ | ДОСТАВКА | КОНТАКТЫ |
Каталог запчастей на трактор МТЗ-80, 82
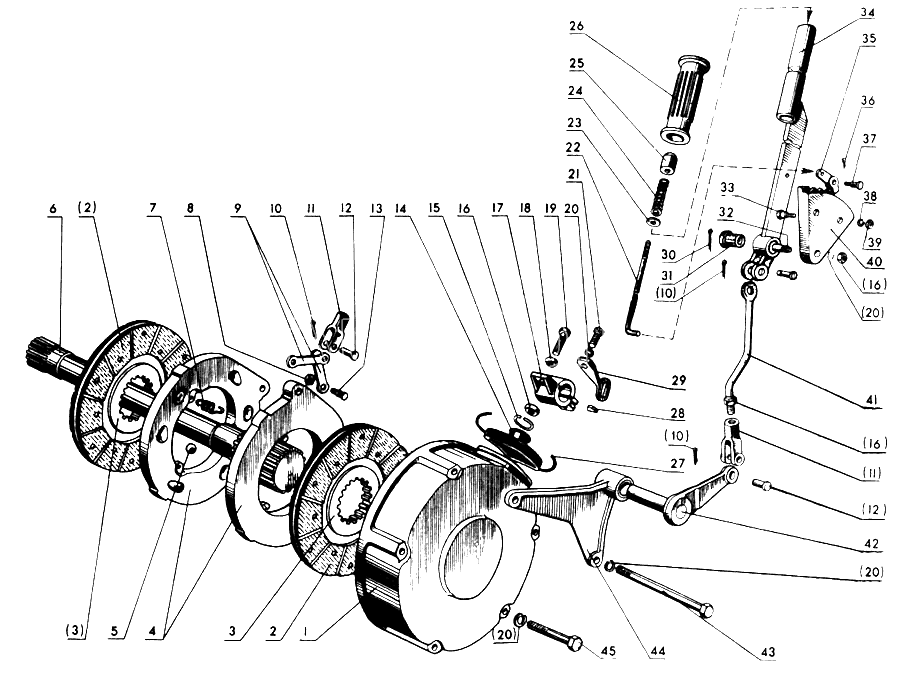
№ |
чертежный номер |
название запчасти |
- |
50-3502010 |
Тормоз в сборе |
- |
50-3502030-А |
Диски нажимные в сборе |
- |
50-3502040-А |
Диск |
1 |
50-3502035 |
Кожух |
2 |
А59.01.201 |
Накладка |
3 |
50-3502050 |
Диск |
4 |
50-3502036-Б |
Диск нажимной |
5 |
Шарик 22,225-100 |
Шарик 22,225-100 |
6 |
70-3504055 |
Вал |
7 |
77.38.163 |
Пружина |
8 |
Гайка М8.6Н.6.019 ГОСТ 5915-70 |
Гайка М8.6Н.6.019 ГОСТ 5915-70 |
9 |
50-3502196 |
Тяга |
10 |
Шплинт 3,2х18-001 ГОСТ 397-66 |
Шплинт 3,2х18-001 ГОСТ 397-66 |
11 |
50-3502203 |
Вилка |
12 |
Палец 12х32 ОСТ 37.001.163-75 |
Палец 12х32 ОСТ 37.001.163-75 |
13 |
50-3502198 |
Палец |
14 |
50-3502202 |
Чехол |
15 |
36-1702358 |
Кольцо пружинное |
16 |
Гайка М12х1,25.6Н.6.019 ГОСТ 5916-70 |
Гайка М12х1,25.6Н.6.019 ГОСТ 5916-70 |
17 |
50-3503017 |
Рычаг |
18 |
70-3503018 |
Шайба |
19 |
70-3503019 |
Болт |
20 |
Шайба 12ОТ 65Г 06 ГОСТ 6402-70 |
Шайба 12ОТ 65Г 06 ГОСТ 6402-70 |
21 |
Болт М12-6gх40.88.35.019 7796-70 |
Болт М12-6gх40.88.35.019 7796-70 |
22 |
70-3507022 |
Тяга |
23 |
Шайба 5.01.019 ГОСТ 6958-68 |
Шайба 5.01.019 ГОСТ 6958-68 |
24 |
55-17-27 |
Пружина |
25 |
А13.19.002 |
Кнопка |
26 |
70-3507035 |
Рукоятка |
27 |
Проволока 1,6х300 ГОСТ 3482-74 |
Проволока 1,6х300 ГОСТ 3482-74 |
28 |
Шпонка 6х11 ГОСТ 8785-68 |
Шпонка 6х11 ГОСТ 8785-68 |
29 |
70-3514107 |
Рычаг |
30 |
70-4605308-Б |
Втулка |
31 |
Шплинт 4,0х22-001 ГОСТ 397-66 |
Шплинт 4,0х22-001 ГОСТ 397-66 |
32 |
70-3507132-Б |
Ось |
33 |
Болт М10-6gх30.88.35.019 ГОСТ 7796-70 |
Болт М10-6gх30.88.35.019 ГОСТ 7796-70 |
34 |
70-3507030 |
Рычаг |
35 |
50-1606026 |
Защелка |
36 |
Шплинт 2х12-001 ГОСТ 397-68 |
Шплинт 2х12-001 ГОСТ 397-68 |
37 |
70-3507024 |
Ось |
38 |
Шайба 10ОТ 65Г 06 ГОСТ 6402-70 |
Шайба 10ОТ 65Г 06 ГОСТ 6402-70 |
39 |
Гайка М10.6Н.6.019 ГОСТ 5915-70 |
Гайка М10.6Н.6.019 ГОСТ 5915-70 |
40 |
70-3507021-Б |
Сектор |
41 |
70-3507041 |
Тяга |
42 |
70-3507060 |
Валик |
43 |
Болт М12-6gх200.88.35.019 ГОСТ 7796-70 |
Болт М12-6gх200.88.35.019 ГОСТ 7796-70 |
44 |
70-3507070 |
Кронштейн |
45 |
Болт М2-6gх180.35.019 ГОСТ 7796-70 |
Болт М2-6gх180.35.019 ГОСТ 7796-70 |