г.Абакан, ул.Игарская, 5 (район "АЯН")+7-901-678-9999 +7-961-093-72-71 |
г.Абакан, ул.Фабричная, 25+7-901-678-0000 |
г.Минусинск, ул.Чайковского, 49+7-901-678-7777 8-(3913)-25-06-60 |
| ГЛАВНАЯ | АССОРТИМЕНТ | КАТАЛОГИ | ДОСТАВКА | КОНТАКТЫ |
Каталог запчастей на трактор МТЗ-80, 82
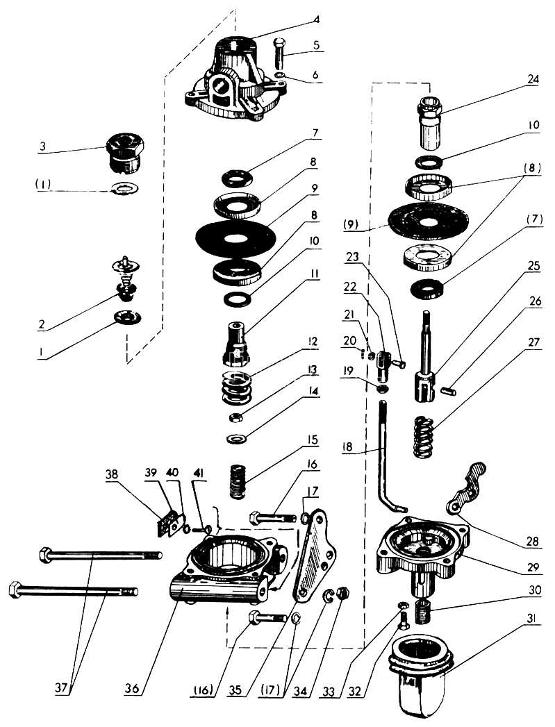
№ |
чертежный номер |
название запчасти |
- |
А29.61.000-В |
Кран тормозной в сборе |
- |
А29.61.450 |
Диафрагма в сборе |
- |
А29.61.750 |
Диафрагма с шайбами, кольцом и седлом в сборе |
1 |
127-3514237-А |
Прокладка (для регулировки допускается изменение количества деталей) |
2 |
130-3514210-А2 |
Клапан |
3 |
А29.61.004 |
Пробка |
4 |
А29.61.005 |
Крышка |
5 |
Болт М8-6gх25.58.016 ГОСТ 7796-70 |
Болт М8-6gх25.58.016 ГОСТ 7796-70 |
6 |
Шайба 8 65Г 016 ГОСТ 6402-70 |
Шайба 8 65Г 016 ГОСТ 6402-70 |
7 |
А29.61.459 |
Шайба |
8 |
А29.61.501 |
Шайба |
9 |
А29.61.551 |
Диафрагма |
10 |
130-3514239 |
Кольцо |
11 |
А29.61.552 |
Седло |
12 |
А29.61.009 |
Пружина |
13 |
Гайка М6-6Н.06.016 ГОСТ 5916-70 |
Гайка М6-6Н.06.016 ГОСТ 5916-70 |
14 |
А29.61.455 |
Шайба |
15 |
А29.61.454 |
Пружина |
16 |
Болт М10-6gх40.88.35.019 ГОСТ 7795-70 |
Болт М10-6gх40.88.35.019 ГОСТ 7795-70 |
17 |
Шайба 10 ОТ ОСТ 37.001.115-75 |
Шайба 10 ОТ ОСТ 37.001.115-75 |
18 |
70-3514121 |
Тяга |
19 |
Гайка М12х1,25-6Н.6.019 ГОСТ 5916-70 |
Гайка М12х1,25-6Н.6.019 ГОСТ 5916-70 |
20 |
Шплинт 3,2х18.016 ГОСТ 397-79 |
Шплинт 3,2х18.016 ГОСТ 397-79 |
21 |
Шайба 12 01 019 ГОСТ 11371-78 |
Шайба 12 01 019 ГОСТ 11371-78 |
22 |
70-3514022 |
Вилка |
23 |
Палец 12х ОСТ 37.001.163-75 |
Палец 12х ОСТ 37.001.163-75 |
24 |
А29.61.451 |
Шток |
25 |
А29.61.452 |
Тяга |
26 |
А29.61.012 |
Палец |
27 |
А29.61.023 |
Пружина |
28 |
А29.61 |
Рычаг |
29 |
А29.61.016 |
Корпус |
30 |
А29.61.018 |
Пробка |
31 |
А29.61.013 |
Чехол |
32 |
А29.61.010 |
Болт |
33 |
Гайка М8-6Н.019 ГОСТ 7795-70 |
Гайка М8-6Н.019 ГОСТ 7795-70 |
34 |
Гайка М10-6Н.019 ГОСТ 7795-70 |
Гайка М10-6Н.019 ГОСТ 7795-70 |
35 |
70-3514108-Б1 |
Кронштейн |
36 |
А29.61.001 |
Вставка |
37 |
Болт М10-6gх105.58.35.019 ГОСТ 7795-70 |
Болт М10-6gх105.58.35.019 ГОСТ 7795-70 |
38 |
А29.61.002 |
Клапан |
39 |
А29.61.003 |
Прижим |
40 |
Шайба 5ОТ ОСТ 37.001.115-74 |
Шайба 5ОТ ОСТ 37.001.115-74 |
41 |
Винт М5 |
Винт М5 |