г.Абакан, ул.Игарская, 5 (район "АЯН")+7-901-678-9999 +7-961-093-72-71 |
г.Абакан, ул.Фабричная, 25+7-901-678-0000 |
г.Минусинск, ул.Чайковского, 49+7-901-678-7777 8-(3913)-25-06-60 |
| ГЛАВНАЯ | АССОРТИМЕНТ | КАТАЛОГИ | ДОСТАВКА | КОНТАКТЫ |
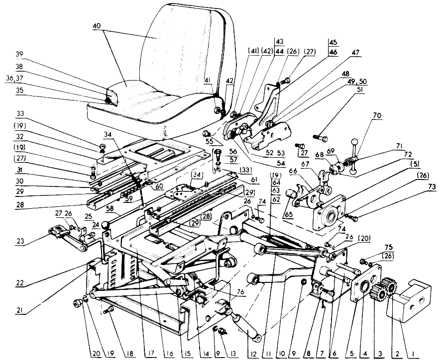
Каталог запчастей на трактор МТЗ-80, 82
№ |
чертежный номер |
название запчасти |
- |
70-6800000-А |
Сиденье в сборе |
- |
70-6800010-01 |
Сиденье в сборе |
- |
70-6800015-01 |
Замок в сборе |
- |
70-6800020-01 |
Замок в сборе |
- |
70-6801010 |
Подвеска в сборе |
- |
70-6801315 |
Блок в сборе |
- |
70-6804010 |
Механизм в сборе |
- |
70-6804390 |
Механизм в сборе |
- |
70-6804400 |
Механизм в сборе |
- |
Кольцо 010-015-30-2-3 ГОСТ 9833-73 |
Кольцо 010-015-30-2-3 ГОСТ 9833-73 |
1 |
85-6801340 |
Корпус |
2 |
Ролик 3х15,8Ш ГОСТ 6870-72 |
Ролик 3х15,8Ш ГОСТ 6870-72 |
3 |
70-6801303-Б |
Соединитель |
4 |
70-6801305 |
Втулка |
5 |
85-6801330 |
Опора |
6 |
70-6801304 |
Торсион |
7 |
70-6801310 |
Корпус |
8 |
70-6801372 |
Палец |
9 |
70-6801307 |
Шайба |
10 |
85-6801320 |
Стабилизатор |
11 |
70-6801360 |
Рычаг |
12 |
АС20-050.00.000 |
Амортизатор |
13 |
70-6801006 |
Палец |
14 |
150-20-212 |
Пружина |
15 |
70-6804050-А |
Опора левая |
16 |
70-6804030 |
Рама |
17 |
70-6804090 |
Основание |
18 |
Болт М10-6gх20.88.35.019 ГОСТ 7796-70 |
Болт М10-6gх20.88.35.019 ГОСТ 7796-70 |
19 |
Шайба 10ОТ 65Г 06 ГОСТ 6402-70 |
Шайба 10ОТ 65Г 06 ГОСТ 6402-70 |
20 |
70-6801006 |
Палец |
21 |
70-6804050-А01 |
Опора правая |
22 |
70-6801350-Б |
Остов |
23 |
70-6706111 |
Накладка |
24 |
70-6804013 |
Обойма |
25 |
70-6804011 |
Держатель |
26 |
Шайба 8Т 65Г 06 ГОСТ 6402-70 |
Шайба 8Т 65Г 06 ГОСТ 6402-70 |
27 |
Болт М8-6gх16.88.35.019 ГОСТ 7796-70 |
Болт М8-6gх16.88.35.019 ГОСТ 7796-70 |
28 |
70-6804420 |
Направляющая |
29 |
70-6804391 |
Ролик |
30 |
70-6804415 |
Направляющая |
31 |
70-6804394 |
Пруток |
32 |
70-6804014-А |
Кронштейн |
33 |
Гайка М8.6Н.6.019 ГОСТ 5915-70 |
Гайка М8.6Н.6.019 ГОСТ 5915-70 |
34 |
70-6804393 |
Пружина |
35 |
70-6803060 |
Основание |
36 |
Заклепка 4х10х12 ОСТ 37.001.159-75 |
Заклепка 4х10х12 ОСТ 37.001.159-75 |
37 |
Шайба 5.01.019 ГОСТ 11371-78 |
Шайба 5.01.019 ГОСТ 11371-78 |
38 |
70-6803011 |
Подушка |
39 |
70-6803020 |
Чехол |
40 |
70-6803010 |
Подушка в сборе |
41 |
Гайка М12.6Н.019 ГОСТ 5915-70 |
Гайка М12.6Н.019 ГОСТ 5915-70 |
42 |
Шайба 12ОТ 65Г 06 ГОСТ 6402-70 |
Шайба 12ОТ 65Г 06 ГОСТ 6402-70 |
43 |
70-6800011 |
Корпус правый |
44 |
70-6800011-01 |
Корпус левый |
45 |
70-6800014 |
Кронштейн правый |
46 |
70-6800021 |
Кронштейн левый |
47 |
20.01.019 ГОСТ 11371-78 |
Шайба |
48 |
70-6800013 |
Втулка |
49 |
70-6800030-01 |
Кронштейн правый |
50 |
70-6800040-01 |
Кронштейн левый |
51 |
Болт М12-6gх45.88.35.019 ГОСТ 7796-70 |
Болт М12-6gх45.88.35.019 ГОСТ 7796-70 |
52 |
70-6800012 |
Защелка левая |
53 |
70-6800012-01 |
Защелка правая |
54 |
А35-6105008 |
Пружина |
55 |
70-6804017 |
Палец |
56 |
70-6804392 |
Ось |
57 |
Шайба 8.01.019 ГОСТ 11371-78 |
Шайба 8.01.019 ГОСТ 11371-78 |
58 |
70-6804430 |
Стопор |
59 |
70-6804305-01 |
Стяжка |
60 |
70-6804432 |
Стопор |
61 |
70-6804410 |
Направляющая |
62 |
Болт М8-6gх40.88.35.019 ГОСТ 7795-70 |
Болт М8-6gх40.88.35.019 ГОСТ 7795-70 |
63 |
ПР-41-01 |
Амортизатор |
64 |
Болт М8-6gх55.88.35.019 ГОСТ 7798-70 |
Болт М8-6gх55.88.35.019 ГОСТ 7798-70 |
65 |
70-6801008 |
Гайка |
66 |
70-6801301 |
Крышка |
67 |
70-6801302 |
Рычаг |
68 |
70-6801011 |
Сухарь |
69 |
70-6801013 |
Шайба |
70 |
70-6801080 |
Винт |
71 |
130-3520057-Б |
Пружина |
72 |
Шарик 5,0-100 |
Шарик 5,0-100 |
73 |
Болт М8-6gх25.88.35.019 ГОСТ 7796-70 |
Болт М8-6gх25.88.35.019 ГОСТ 7796-70 |
74 |
Шайба 10Т 65Г.06 ГОСТ 6402-70 |
Шайба 10Т 65Г.06 ГОСТ 6402-70 |
75 |
Болт М8-6gх35.88.35.019 ГОСТ 7798-70 |
Болт М8-6gх35.88.35.019 ГОСТ 7798-70 |
76 |
70-6804012 |
Зацеп |