г.Абакан, ул.Игарская, 5 (район "АЯН")+7-901-678-9999 +7-961-093-72-71 |
г.Абакан, ул.Фабричная, 25+7-901-678-0000 |
г.Минусинск, ул.Чайковского, 49+7-901-678-7777 8-(3913)-25-06-60 |
| ГЛАВНАЯ | АССОРТИМЕНТ | КАТАЛОГИ | ДОСТАВКА | КОНТАКТЫ |
Каталог запчастей на трактор МТЗ-80, 82
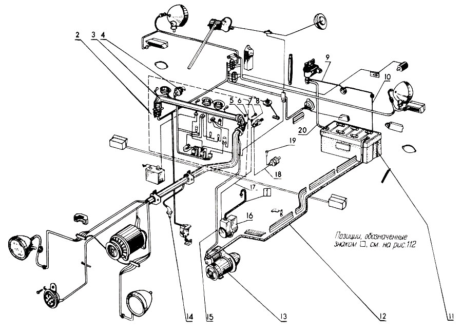
№ |
чертежный номер |
название запчасти |
1 |
70Л-3724080 |
Жгут |
2 |
70Л-3801010-01 |
Щиток приборов |
3 |
70Л-3724093-Б |
Жгут |
4 |
ВК317-05 |
Выключатель |
5 |
Гайка М4.6Н.6.019 ГОСТ 5915-70 |
Гайка М4.6Н.6.019 ГОСТ 5915-70 |
6 |
Шайба 4 65Г 06 ГОСТ 6402-70 |
Шайба 4 65Г 06 ГОСТ 6402-70 |
7 |
Винт М4-6gх8.58.019 ГОСТ 17473-72 |
Винт М4-6gх8.58.019 ГОСТ 17473-72 |
8 |
70-3724027 |
Провод |
9 |
70-3724018-А |
Провод |
10 |
50-3724082 |
Провод |
11 |
ССТ-50ЭМ |
Аккумуляторная батарея |
12 |
70Л-3724038 |
Провод |
13 |
СТ-362 |
Стартер |
14 |
М2.14.13.238 |
Чехол |
15 |
70Л-3724040 |
Жгут |
16 |
М124Б1-3728000-А |
Магнето М124-Б1 |
17 |
70Л-3724034 |
Провод |
18 |
70Л-3724017 |
Провод |
19 |
50Л-3724085 |
Провод |
20 |
70Л-3724039 |
Провод |