г.Абакан, ул.Игарская, 5 (район "АЯН")+7-901-678-9999 +7-961-093-72-71 |
г.Абакан, ул.Фабричная, 25+7-901-678-0000 |
г.Минусинск, ул.Чайковского, 49+7-901-678-7777 8-(3913)-25-06-60 |
| ГЛАВНАЯ | АССОРТИМЕНТ | КАТАЛОГИ | ДОСТАВКА | КОНТАКТЫ |
Каталог запчастей на трактор МТЗ-80, 82
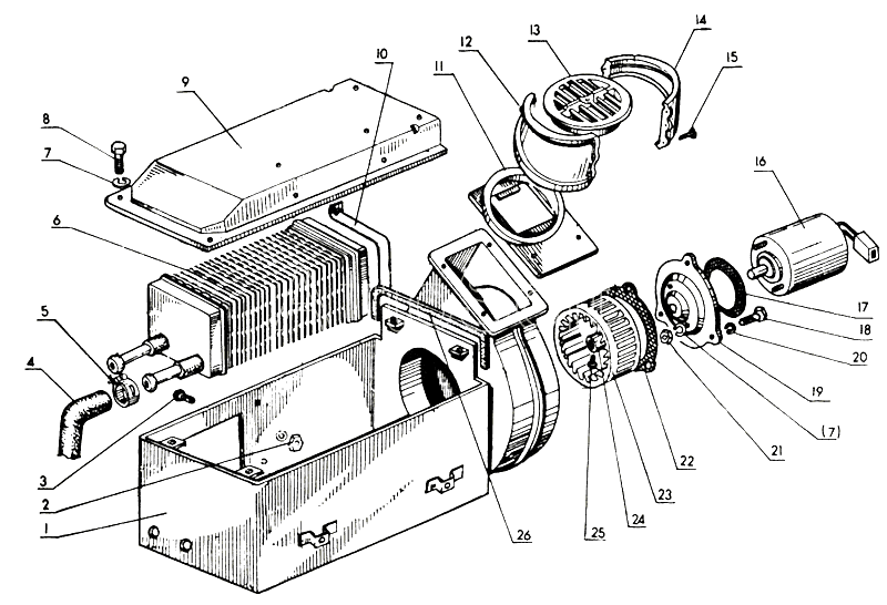
№ |
чертежный номер |
название запчасти |
1 |
70-8115400 |
Корпус |
2 |
Гайка М5-6Н.6.019 |
Гайка М5-6Н.6.019 |
3 |
Винт М5-6gх16.58.019 |
Винт М5-6gх16.58.019 |
4 |
70-8115084 |
Шланг |
5 |
ХС-23 |
Хомут |
5 |
ХС-26 |
Хомут |
6 |
ОТ1.13.010 |
Радиатор |
7 |
Шайба 6Т.65Г.06 |
Шайба 6Т.65Г.06 |
8 |
Болт М6-6gх0.88.34.019 |
Болт М6-6gх0.88.34.019 |
9 |
70-8115420-Б |
Крышка |
10 |
70-8115300-А1 |
Стяжка |
11 |
80-8105052 |
Основание |
12 |
80-8105051 |
Обечайка передняя |
13 |
150.95.301 |
Воздухораспределитель |
14 |
80-8105051-01 |
Обечайка задняя |
15 |
Шуруп 4х16.019 |
Шуруп 4х16.019 |
16 |
19.3730.000 |
Электродвигатель 12В, 35Вт |
17 |
50-8104029 |
Прокладка |
18 |
Болт М6-6gх16.88.35.019 |
Болт М6-6gх16.88.35.019 |
19 |
70-8115075 |
Крышка |
20 |
Шайба 5Н ОН 025 |
Шайба 5Н ОН 025 |
21 |
Гайка М5 6Н.6.019 |
Гайка М5 6Н.6.019 |
22 |
70-8115168 |
Прокладка |
23 |
70-8115191 |
Ротор |
24 |
70-8115192 |
Стяжка |
25 |
Винт М5 6gх12.58.019 |
Винт М5 6gх12.58.019 |
26 |
ПР-34-01 |
Профиль резиновый |