г.Абакан, ул.Игарская, 5 (район "АЯН")+7-901-678-9999 +7-961-093-72-71 |
г.Абакан, ул.Фабричная, 25+7-901-678-0000 |
г.Минусинск, ул.Чайковского, 49+7-901-678-7777 8-(3913)-25-06-60 |
| ГЛАВНАЯ | АССОРТИМЕНТ | КАТАЛОГИ | ДОСТАВКА | КОНТАКТЫ |
Каталог запчастей на трактор МТЗ-80, 82
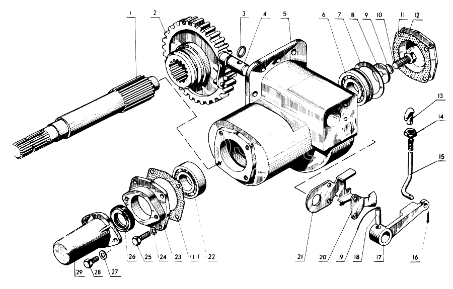
№ |
чертежный номер |
название запчасти |
- |
50-4204010 |
Вал отбора мощности боковой с 8-шлицевым хвостовиком в сборе |
- |
50-4204010-01 |
Вал отбора мощности боковой с 8-шлицевым хвостовиком в сборе |
1 |
50-4204022 |
Вал с 8-шлицевьш хвостовиком |
2 |
Ф50-4204026 |
Шестерня (Z =37) |
3 |
50-3406031-04 |
Кольцо |
4 |
50-4204040 |
Валик |
5 |
50-4204015-Б |
Корпус |
6 |
Подшипник 208А ГОСТ 8338-75 |
Подшипник 208А ГОСТ 8338-75 |
7 |
Кольцо КСП-72 ГОСТ 2893-73 |
Кольцо КСП-72 ГОСТ 2893-73 |
8 |
50-1601038 |
Шайба нажимная |
9 |
252137-П2 |
Шайба 12ОТ 65Г 06 ГОСТ 6402-70 |
10 |
Болт М12-6gх35.88.35.019 ГОСТ 7796-70 |
Болт М12-6gх35.88.35.019 ГОСТ 7796-70 |
11 |
50-1601091-01 |
Прокладка |
12 |
50-1601089 |
Крышка подшипника |
13 |
А13.28.000 |
Рукоятка |
14 |
Гайка М6.6Н.6.019 ГОСТ 5915-70 |
Гайка М6.6Н.6.019 ГОСТ 5915-70 |
15 |
50-4204042 |
Тяга |
16 |
Шплинт 3,2х18-001 ГОСТ 397-66 |
Шплинт 3,2х18-001 ГОСТ 397-66 |
17 |
50-4204034 |
Рычаг |
18 |
Штифт 10х40-01 ГОСТ 14229-69 |
Штифт 10х40-01 ГОСТ 14229-69 |
19 |
Проволока 1,6-0-с ГОСТ 3282-74 |
Проволока 1,6-0-с ГОСТ 3282-74 |
20 |
50-4204036 |
Пластина |
21 |
50-4204038 |
Пластина |
22 |
Подшипник 50306 ГОСТ 2893-73 |
Подшипник 50306 ГОСТ 2893-73 |
23 |
50-4204024 |
Крышка |
24 |
Шайба 8Т 65Г 06 ОСТ 37.001.115-74 |
Шайба 8Т 65Г 06 ОСТ 37.001.115-74 |
25 |
Болт М8-6gх25.88.35.019 ГОСТ 7796-70 |
Болт М8-6gх25.88.35.019 ГОСТ 7796-70 |
26 |
Манжета 2-38х58-1 ГОСТ 8752-70 |
Манжета 2-38х58-1 ГОСТ 8752-70 |
27 |
Шайба 8.01.019 ГОСТ 11371-78 |
Шайба 8.01.019 ГОСТ 11371-78 |
28 |
Болт М8-6gх16.88.35.019 ГОСТ 7796-70 |
Болт М8-6gх16.88.35.019 ГОСТ 7796-70 |
29 |
50-4202065-А |
Колпак |