г.Абакан, ул.Игарская, 5 (район "АЯН")+7-901-678-9999 +7-961-093-72-71 |
г.Абакан, ул.Фабричная, 25+7-901-678-0000 |
г.Минусинск, ул.Чайковского, 49+7-901-678-7777 8-(3913)-25-06-60 |
| ГЛАВНАЯ | АССОРТИМЕНТ | КАТАЛОГИ | ДОСТАВКА | КОНТАКТЫ |
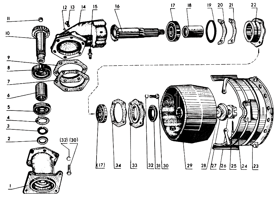
Каталог запчастей на трактор МТЗ-80, 82
№ |
чертежный номер |
название запчасти |
- |
40-4211010 |
Приводной шкив, устанавливаемый на 8-шлицевой хвостовик ВОМ в сборе |
- |
40-4211035 |
Корпус в сборе |
- |
40-4211040 |
Вал 8 шлиц в сборе |
- |
40-4211050 |
Рукав 8-шлицевой в сборе |
- |
40-4211065 |
Вал со стаканом, подшипником и втулкой в сборе |
1 |
40-4211052 |
Рукав |
2 |
Манжета 2-50х70-1 ГОСТ 8752-70 |
Манжета 2-50х70-1 ГОСТ 8752-70 |
3 |
40-4211043 |
Гайка |
4 |
36-1701061 |
Шайба |
5 |
Подшипник 211А ГОСТ 8338-75 |
Подшипник 211А ГОСТ 8338-75 |
6 |
40-4211047 |
Втулка |
7 |
40-4211079 |
Прокладка |
8 |
Подшипник 311 ГОСТ 8338-75 |
Подшипник 311 ГОСТ 8338-75 |
9 |
40-4211081 |
Прокладка |
10 |
40-4211045 |
Вал с 8-шлицевым гнездом |
11 |
40-4211082 |
Заглушка |
12 |
Пробка КГ 3/8" ГОСТ 12719-67 |
Пробка КГ 3/8" ГОСТ 12719-67 |
13 |
Пробка КГ 3/4" ГОСТ 12719-67 |
Пробка КГ 3/4" ГОСТ 12719-67 |
14 |
40-4211037 |
Корпус |
15 |
СУ-1/8"-А |
Сапун |
16 |
40-4211071 |
Вал |
17 |
Подшипник 408 ГОСТ 8338-75 |
Подшипник 408 ГОСТ 8338-75 |
18 |
40-4211072 |
Втулка |
19 |
36-4211053 |
Кольцо 120-125-30-1-1 ГОСТ 9833-73 |
20 |
36-4211054-Б |
Прокладка (0,5 мм) |
21 |
36-4211055 |
Прокладка (0,2 мм) |
22 |
36-4211048 |
Стакан |
23 |
С50-4211093 |
Крышка (для экспорта) |
24 |
С50-4211100 |
Кожух (для экспорта) |
25 |
Шплинт 4х35-001 ГОСТ 397-66 |
Шплинт 4х35-001 ГОСТ 397-66 |
26 |
Гайка М20-1,5.6Н.6.019 ГОСТ 5919-73 |
Гайка М20-1,5.6Н.6.019 ГОСТ 5919-73 |
27 |
40-3502084 |
Шайба |
28 |
40-3502083 |
Прокладка |
29 |
40-4211075 |
Шкив |
30 |
Болт М12-6gх40.88.35.019 ГОСТ 7796-70 |
Болт М12-6gх40.88.35.019 ГОСТ 7796-70 |
31 |
Манжета 2-65х90-1 ГОСТ 8752-70 |
Манжета 2-65х90-1 ГОСТ 8752-70 |
32 |
Шайба 12ОТ 65Г 06 ОСТ 37.001.115-74 |
Шайба 12ОТ 65Г 06 ОСТ 37.001.115-74 |
33 |
36-4211073 |
Гнездо |
34 |
36-4211057 |
Прокладка |