г.Абакан, ул.Игарская, 5 (район "АЯН")+7-901-678-9999 +7-961-093-72-71 |
г.Абакан, ул.Фабричная, 25+7-901-678-0000 |
г.Минусинск, ул.Чайковского, 49+7-901-678-7777 8-(3913)-25-06-60 |
| ГЛАВНАЯ | АССОРТИМЕНТ | КАТАЛОГИ | ДОСТАВКА | КОНТАКТЫ |
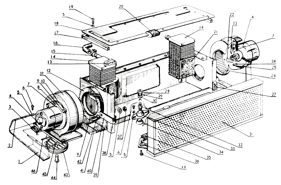
Каталог запчастей на трактор МТЗ-80, 82
№ |
чертежный номер |
название запчасти |
- |
80-8100010 |
Отопитель в сборе |
1 |
80-8101020 |
Панель |
2 |
80-8100021 |
Обивка |
3 |
80-8100017 |
Прокладка |
4 |
1937.30000 |
Электродвигатель |
5 |
Шайба 6 01.019 ГОСТ 11371-78 |
Шайба 6 01.019 ГОСТ 11371-78 |
6 |
Болт М6-6gх16.88.35.019 ГОСТ 7796-70 |
Болт М6-6gх16.88.35.019 ГОСТ 7796-70 |
7 |
50-8104029 |
Прокладка |
8 |
70-8115075 |
Крышка |
9 |
Болт М6-6gх14.88.35.019 ГОСТ 7796-70 |
Болт М6-6gх14.88.35.019 ГОСТ 7796-70 |
10 |
70-8115168 |
Прокладка |
11 |
80-8103020 |
Кожух вентилятора |
12 |
80-8100016-02 |
Уплотнитель |
13 |
80-8102019 |
Уплотнитель |
14 |
ОТ2.013-010-04 |
Радиатор |
15 |
ХС-23 |
Хомут |
16 |
80-8102015 |
Шланг L=700 мм |
17 |
ПР-035-01 |
Профиль |
18 |
80-8102011 |
Крышка |
19 |
Винт М6-6gх16.58.019 ГОСТ 17475-80 |
Винт М6-6gх16.58.019 ГОСТ 17475-80 |
20 |
80-8100016 |
Уплотнитель |
21 |
80-8102044 |
Уплотнитель |
22 |
70-8115192 |
Стяжка |
23 |
Винт М5-6gх10.58.019 ГОСТ 17475-80 |
Винт М5-6gх10.58.019 ГОСТ 17475-80 |
24 |
Шайба 5Т |
Шайба 5Т |
25 |
Гайка М5-6Н.6.019 |
Гайка М5-6Н.6.019 |
26 |
70-8115191 |
Ротор |
27 |
80-8100016-01 |
Уплотнитель |
28 |
Гайка М10.6.6Н.019 ГОСТ 5915-70 |
Гайка М10.6.6Н.019 ГОСТ 5915-70 |
29 |
Шайба 10.01.019 ГОСТ 11371-78 |
Шайба 10.01.019 ГОСТ 11371-78 |
30 |
Шайба 10ОТ ГОСТ 6402-70 |
Шайба 10ОТ ГОСТ 6402-70 |
31 |
80-8101050 |
Фильтр |
32 |
70-6700031 |
Держатель |
33 |
70-6700116 |
Накладка |
34 |
50-3711038 |
Опора фары |
35 |
80-8100012 |
Заслонка |
36 |
80-8100011 |
Крышка |
37 |
Гайка М6.6Н.6.019 ГОСТ 5915-70 |
Гайка М6.6Н.6.019 ГОСТ 5915-70 |
38 |
80-8102020 |
Корпус |
39 |
80-8100033 |
Уплотнитель |
40 |
80-8102025 |
Пружина |
41 |
80-8100033-01 |
Уплотнитель |
42 |
Шайба 6 65Г 06 ГОСТ 6402-70 |
Шайба 6 65Г 06 ГОСТ 6402-70 |
43 |
80-8100013 |
Накладка |
44 |
Палец 6х8 |
Палец 6х8 |