г.Абакан, ул.Игарская, 5 (район "АЯН")+7-901-678-9999 +7-961-093-72-71 |
г.Абакан, ул.Фабричная, 25+7-901-678-0000 |
г.Минусинск, ул.Чайковского, 49+7-901-678-7777 8-(3913)-25-06-60 |
| ГЛАВНАЯ | АССОРТИМЕНТ | КАТАЛОГИ | ДОСТАВКА | КОНТАКТЫ |
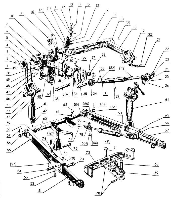
Каталог запчастей на трактор МТЗ-80, 82
№ |
чертежный номер |
название запчасти |
- |
50-4605012 |
Раскос в сборе |
- |
50-4605030-А3 |
Тяга правая в сборе |
- |
50-4605035-А3 |
Тяга левая в сборе |
- |
50-46050У5-А |
Палец со шплинтом в сборе |
- |
50-4605105-А |
Шкворень прицепа со шплинтом в сборе |
- |
70-4605010 |
Механизм задней навески в сборе |
- |
70-4605145 |
Кронштейн в сборе |
- |
70-4605340 |
Рычаг с пальцем в сборе |
- |
80-4605025 |
Поперечина в сборе |
- |
А61.03.000 |
Тяга в сборе |
- |
А61.03.200 |
Винт в сборе |
1 |
70-4605313 |
Палец |
1 |
Болт М12-6gх25.88.35.019 ГОСТ 7796-70 |
Болт М12-6gх25.88.35.019 ГОСТ 7796-70 |
2 |
Шайба 12ОТ ОСТ 37.001.115-75 |
Шайба 12ОТ ОСТ 37.001.115-75 |
3 |
40-4605023-А2 |
Шайба |
4 |
40-4605021-А2 |
Рычаг |
5 |
70-4605032 |
Втулка |
6 |
70-4605308-Б |
Втулка |
7 |
70-4605016-Б |
Кронштейн |
9 |
70-4605024-А |
Рычаг поворотный |
11 |
50-4605069 |
Втулка |
11 |
Кольцо 2Б65 ГОСТ 1394-68 |
Кольцо 2Б65 ГОСТ 1394-68 |
12 |
50-4605077-Б |
Пружина |
13 |
Болт М12-6gх35.88.35.019 ГОСТ 7796-70 |
Болт М12-6gх35.88.35.019 ГОСТ 7796-70 |
14 |
Шайба 12.02.019 ГОСТ 11371-78 |
Шайба 12.02.019 ГОСТ 11371-78 |
15 |
70-4605240-А |
Кронштейн |
16 |
Гайка М12.6Н.6.019 ГОСТ 5915-70 |
Гайка М12.6Н.6.019 ГОСТ 5915-70 |
17 |
70-4605023 |
Вал поворотный |
18 |
40-4605022-А |
Рычаг |
19 |
70-4605168 |
Серьга |
20 |
Штифт пружинный 8х45 ГОСТ 14229-69 |
Штифт пружинный 8х45 ГОСТ 14229-69 |
21 |
А61.01.004 |
Палец |
22 |
А61.03.002 |
Кольцо |
23 |
А61.03.001-02 |
Палец |
24 |
А61.03.001-02 |
Палец |
25 |
А61.02.100-04 |
Винт |
26 |
А61.05.002 |
Чека |
27 |
Шплинт 5х36-001 ГОСТ 397-79 |
Шплинт 5х36-001 ГОСТ 397-79 |
28 |
70-4605316 |
Гайка упорная |
29 |
Масленка 1.3.Ц6.хр ГОСТ 19853-74 |
Масленка 1.3.Ц6.хр ГОСТ 19853-74 |
30 |
70-4605304-Б |
Шайба |
31 |
70-4605302-Б |
Пружина |
32 |
А61.03.102 |
Рукоятка |
33 |
А61.03.101 |
Труба |
34 |
А61.02.100-03 |
Винт |
35 |
70-4605312 |
Палец |
36 |
70-4605330-Б |
Серьга |
37 |
70-4605071-01 |
Палец |
38 |
70-4605320 |
Болт |
39 |
70-4605036 |
Болт |
40 |
Шайба 20ОТ 65Г 06 ГОСТ 6402-70 |
Шайба 20ОТ 65Г 06 ГОСТ 6402-70 |
41 |
А61.02.001 |
Стяжка раскоса |
42 |
А61.02.003 |
Контргайка |
43 |
А61.02.100 |
Винт |
44 |
Шплинт 4х36-001 ГОСТ 397-79 |
Шплинт 4х36-001 ГОСТ 397-79 |
45 |
70-3003032 |
Гайка |
46 |
F50-4605084 |
Палец |
47 |
70-4605317 |
Ограничитель |
48 |
21А-1601150 |
Пружина |
49 |
50-4605027 |
Штифт |
50 |
54.38.619 |
Кольцо |
51 |
80-4605045-01 |
Тяга левая |
52 |
А61.05.004 |
Кольцо |
53 |
А61.05.005 |
Чека |
54 |
50-4605049-Б |
Палец |
55 |
70-4605055 |
Тяга |
56 |
А04.02.020-01 |
Гайка |
57 |
Шплинт 5х45-019 ГОСТ 397-79 |
Шплинт 5х45-019 ГОСТ 397-79 |
58 |
70-4605047 |
Втулка |
59 |
50-4605068-Б1 |
Втулка |
60 |
70-4605026 |
Ось |
61 |
Гайка М16.6Н.6.019 ГОСТ 5916-70 |
Гайка М16.6Н.6.019 ГОСТ 5916-70 |
62 |
50-4605019 |
Болт |
63 |
70-4605050 |
Тяга |
64 |
80-4605150 |
Раскос |
65 |
50-4605086 |
Болт серьги |
66 |
Гайка М12.6Н.6.019 ГОСТ 5919-73 |
Гайка М12.6Н.6.019 ГОСТ 5919-73 |
67 |
80-4605040-01 |
Тяга |
68 |
50-4605079-Б |
Шкворень |
69 |
36-2701036-А3 |
Вилка |
70 |
А61.07.001 |
Шплинт |
71 |
А61.10.002 |
Палец |
72 |
80-4605046 |
Поперечина |
73 |
70-4605048-А |
Проушина |
74 |
Шайба 18 01 019 ГОСТ 11371-78 |
Шайба 18 01 019 ГОСТ 11371-78 |
75 |
50-4605100-Б |
Вилка раскоса |
76 |
Ф50-4605084 |
Палец |
77 |
50-4605033-Б1 |
Кронштейн |
78 |
А61.09.002 |
Серьга |
79 |
80-4605080 |
Растяжка |
80 |
Шплинт 3,2х18-019 ГОСТ 397-79 |
Шплинт 3,2х18-019 ГОСТ 397-79 |