г.Абакан, ул.Игарская, 5 (район "АЯН")+7-901-678-9999 +7-961-093-72-71 |
г.Абакан, ул.Фабричная, 25+7-901-678-0000 |
г.Минусинск, ул.Чайковского, 49+7-901-678-7777 8-(3913)-25-06-60 |
| ГЛАВНАЯ | АССОРТИМЕНТ | КАТАЛОГИ | ДОСТАВКА | КОНТАКТЫ |
Каталог запчастей на трактор МТЗ-80, 82
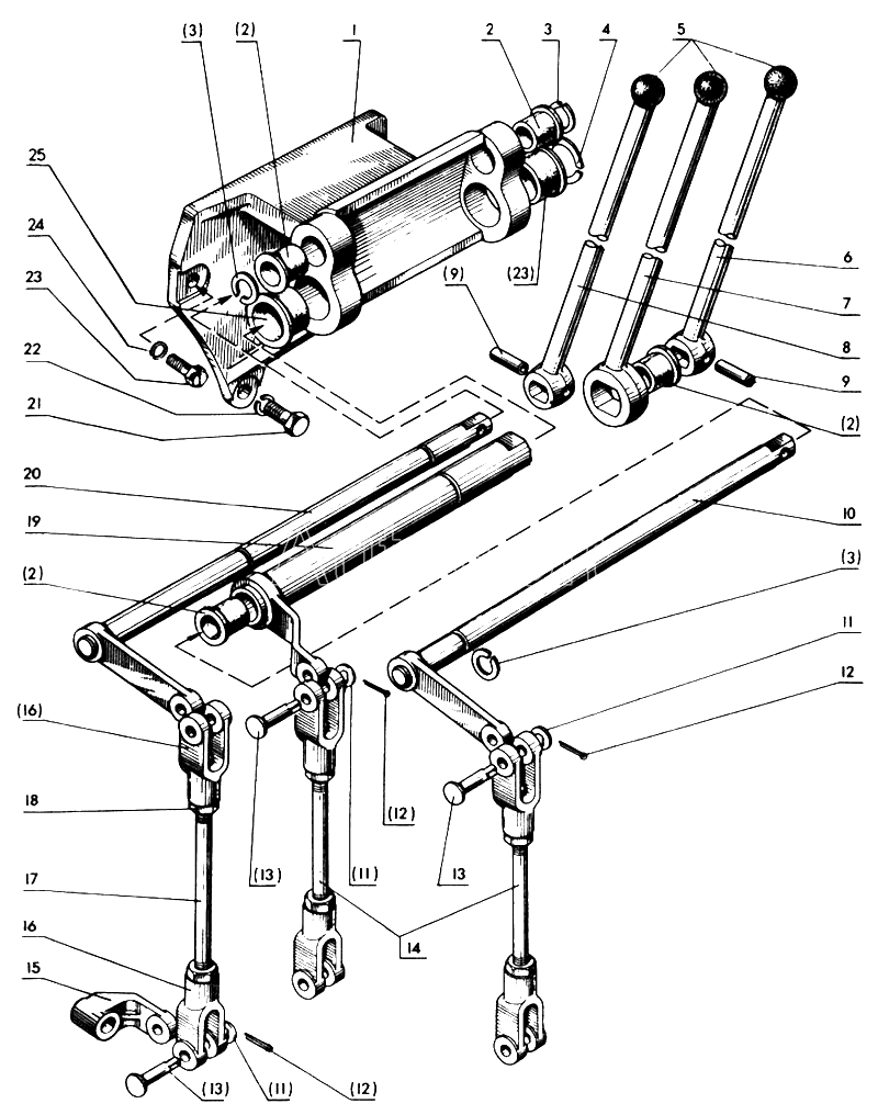
№ |
чертежный номер |
название запчасти |
- |
80-4607040 |
Кронштейн в сборе |
- |
80-4607260 |
Тяга 80-4607087 с вилкой и гайкой в сборе, L=198 мм |
- |
80-4607260-01 |
Тяга 80-4607087-01 с валом, осью и болтом в сборе, L=237 мм |
1 |
80-4607017 |
Кронштейн |
2 |
50-4607078-А |
Втулка |
3 |
Кольцо 2Б18 ГОСТ 13940-68 |
Кольцо 2Б18 ГОСТ 13940-68 |
4 |
Кольцо 2Б32 ГОСТ 13940-68 |
Кольцо 2Б32 ГОСТ 13940-68 |
5 |
А61.01.014 |
Рукоятка |
6 |
85-4607041 |
Рычаг |
7 |
85-4607042 |
Рычаг |
8 |
85-4607041-01 |
Рычаг |
9 |
Штифт 8х30.65Г ГОСТ 14229-66 |
Штифт 8х30.65Г ГОСТ 14229-66 |
10 |
80-4607220 |
Вал |
11 |
70-4607144 |
Шайба |
12 |
Шплинт 3,2х18-001 ГОСТ 397-66 |
Шплинт 3,2х18-001 ГОСТ 397-66 |
13 |
А61-030-А1 |
Палец |
14 |
80-4607087 |
Тяга |
15 |
80-4607086 |
Рычаг |
16 |
А20-213А |
Вилка |
17 |
80-4607087-01 |
Тяга |
18 |
Гайка М8-6Н.6.019 ГОСТ 5915-70 |
Гайка М8-6Н.6.019 ГОСТ 5915-70 |
19 |
80-4607230 |
Вал |
20 |
80-4607250 |
Вал |
21 |
Болт М12-6gх35.88.35.019 |
Болт М12-6gх35.88.35.019 |
22 |
Шайба 12ОТ ГОСТ 6402-70 |
Шайба 12ОТ ГОСТ 6402-70 |
23 |
Болт М10-6gх30.88.35.019 ГОСТ 7796-70 |
Болт М10-6gх30.88.35.019 ГОСТ 7796-70 |
24 |
Шайба 10ОТ ОСТ 37.001.115-75 |
Шайба 10ОТ ОСТ 37.001.115-75 |
25 |
50-4607079-А1 |
Втулка |