г.Абакан, ул.Игарская, 5 (район "АЯН")+7-901-678-9999 +7-961-093-72-71 |
г.Абакан, ул.Фабричная, 25+7-901-678-0000 |
г.Минусинск, ул.Чайковского, 49+7-901-678-7777 8-(3913)-25-06-60 |
| ГЛАВНАЯ | АССОРТИМЕНТ | КАТАЛОГИ | ДОСТАВКА | КОНТАКТЫ |
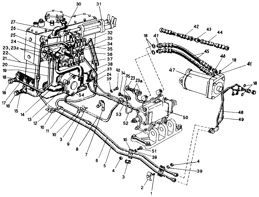
Каталог запчастей на трактор МТЗ-80, 82
№ |
чертежный номер |
название запчасти |
1 |
Болт М8-6gх45.88.35.019 ГОСТ 7796-70 |
Болт М8-6gх45.88.35.019 ГОСТ 7796-70 |
2 |
70-4607156 |
Планка |
3 |
70-3506027 |
Втулка |
4 |
Гайка М8-6Н.6.019 ГОСТ 5915-70 |
Гайка М8-6Н.6.019 ГОСТ 5915-70 |
5 |
Н80-4607160 |
Труба |
6 |
Н80-4607150 |
Труба |
7 |
70-4607270-А |
Кронштейн |
8 |
80-4607180 |
Труба |
9 |
80-4607169 |
Кронштейн |
10 |
70-3407146 |
Планка |
11 |
Н80-4607170 |
Труба |
12 |
Н80-4607206 |
Кронштейн |
13 |
50-4607097 |
Прокладка |
14 |
70-4607096 |
Патрубок |
15 |
3057-4616330-А |
Клапан запорного устройства |
16 |
50-4607039-А |
Колпак |
17 |
80Х-4607120 |
Труба |
18 |
Кольцо 017-022-30-2-2 ГОСТ 9833-73 |
Кольцо 017-022-30-2-2 ГОСТ 9833-73 |
19 |
80Х-4607130 |
Труба |
20 |
80-4607165 |
Труба |
21 |
80-4607075 |
Труба |
22 |
Кольцо 035-040-30-2-2 ГОСТ 9833-73 |
Кольцо 035-040-30-2-2 ГОСТ 9833-73 |
23 |
40-4607032 |
Болт |
24 |
40-4607047 |
Болт |
25 |
40-4607033-А |
Шайба |
26 |
40-4607018 |
Прокладка |
27 |
85-4607425 |
Угольник |
28 |
ХС-31 |
Хомут |
29 |
85-4607063 |
Шланг |
30 |
Р80-3/4-222 |
Распределитель |
31 |
85-4607040 |
Кронштейн |
32 |
80-4607110 |
Труба |
33 |
80-4607142 |
Штуцер |
34 |
Д18-051 |
Болт |
35 |
Д18-055А |
Кольцо |
36 |
80-4607115 |
Труба |
37 |
80-4607175 |
Труба |
38 |
80-4607310-А |
Труба |
39 |
Шайба 8Т.65Г.06 ГОСТ 6402-70 |
Шайба 8Т.65Г.06 ГОСТ 6402-70 |
40 |
М8-6gх35.88.35.019 ГОСТ 7796-70 |
Болт |
41 |
70-1405089 |
Штуцер |
42 |
Н.036.83.090 |
Рукав высокого давления |
43 |
Н.036.02.002 |
Штуцер |
44 |
Н.036.83.110 |
Рукав высокого давления |
45 |
Н.036.82.020-А |
Рукав |
46 |
Н.036.65.000-06 |
Замедлительный клапан |
47 |
Ц100х200-3 |
Цилиндр |
48 |
70-4607400 |
Труба |
49 |
70-4607395 |
Труба |
50 |
80-4614020 |
Регулятор |
51 |
Болт М8-6gх40.88.35.019 ГОСТ 7796-70 |
Болт М8-6gх40.88.35.019 ГОСТ 7796-70 |
52 |
80-4607200 |
Труба |
53 |
80-4607190-Б |
Труба |
54 |
НШ32-А-3 |
Насос шестеренный |
230 |
40-4607038-А |
Шайба |