г.Абакан, ул.Игарская, 5 (район "АЯН")+7-901-678-9999 +7-961-093-72-71 |
г.Абакан, ул.Фабричная, 25+7-901-678-0000 |
г.Минусинск, ул.Чайковского, 49+7-901-678-7777 8-(3913)-25-06-60 |
| ГЛАВНАЯ | АССОРТИМЕНТ | КАТАЛОГИ | ДОСТАВКА | КОНТАКТЫ |
Каталог запчастей на трактор МТЗ-80, 82
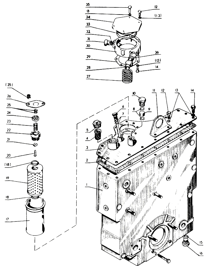
№ |
чертежный номер |
название запчасти |
- |
80-4608010-Б |
Корпус в сборе |
1 |
80-4608016 |
Корпус гидросистемы |
2 |
80-4608031 |
Прокладка |
3 |
85-4608025-01 |
Крышка |
4 |
А61-С06-А3 |
Фильтр |
5 |
Пробка КГ 1/4" ОСТ 23.1.117-83 |
Пробка КГ 1/4" ОСТ 23.1.117-83 |
6 |
70-4608065-А |
Масломер |
7 |
Кольцо 011-015-25-2-2 ГОСТ 9833-73 |
Кольцо 011-015-25-2-2 ГОСТ 9833-73 |
8 |
50-4608062 |
Шайба сапуна |
9 |
50-4608063 |
Фильтр |
10 |
50-4608059 |
Пробка сапуна |
11 |
80-4608073 |
Кронштейн |
12 |
Болт М8-6gх25.88.35.019 ГОСТ 7796-70 |
Болт М8-6gх25.88.35.019 ГОСТ 7796-70 |
13 |
8Т ОСТ 37.001.115-75 |
Шайба |
14 |
Болт М8-6gх20.88.35.019 ГОСТ 7796-70 |
Болт М8-6gх20.88.35.019 ГОСТ 7796-70 |
15 |
Кольцо 017-022-30-34 ГОСТ 18829-74 |
Кольцо 017-022-30-34 ГОСТ 18829-74 |
16 |
50-4608027-В |
Пробка |
17 |
А28.04.20.00А |
Корпус |
18 |
Кольцо 041-050-46-2-2 ГОСТ 9833-73 |
Кольцо 041-050-46-2-2 ГОСТ 9833-73 |
19 |
761-00-00-000 |
Фильтрующий элемент |
20 |
Винт В1М6-6gх 40.66 ГОСТ 17475-80 |
Винт В1М6-6gх 40.66 ГОСТ 17475-80 |
21 |
8.20.004 |
Клапан |
22 |
А28.04.10.001 |
Корпус |
23 |
8.20.002 |
Пружина |
24 |
8.20.005 |
Шайба опорная |
25 |
Гайка М6.6Н ГОСТ 5916-70 |
Гайка М6.6Н ГОСТ 5916-70 |
26 |
А28.04.00.001 |
Ограничитель |
27 |
85-4608057 |
Пружина |
28 |
85-4607034 |
Штуцер |
29 |
85-4608089 |
Прокладка |
30 |
85-4608018-01 |
Стакан |
31 |
85-4608021 |
Пробка |
32 |
Кольцо 021-025-25-1-4 ГОСТ 9833-73 |
Кольцо 021-025-25-1-4 ГОСТ 9833-73 |
33 |
Кольцо 130-135-30-1-4 ГОСТ 9833-73 |
Кольцо 130-135-30-1-4 ГОСТ 9833-73 |
34 |
85-4608022 |
Крышка |
35 |
Болт М8-6gх80.88.35.019 ГОСТ 7796-70 |
Болт М8-6gх80.88.35.019 ГОСТ 7796-70 |
36 |
Кольцо 027-032-30-2-4 ГОСТ 9833-73 |
Кольцо 027-032-30-2-4 ГОСТ 9833-73 |