г.Абакан, ул.Игарская, 5 (район "АЯН")+7-901-678-9999 +7-961-093-72-71 |
г.Абакан, ул.Фабричная, 25+7-901-678-0000 |
г.Минусинск, ул.Чайковского, 49+7-901-678-7777 8-(3913)-25-06-60 |
| ГЛАВНАЯ | АССОРТИМЕНТ | КАТАЛОГИ | ДОСТАВКА | КОНТАКТЫ |
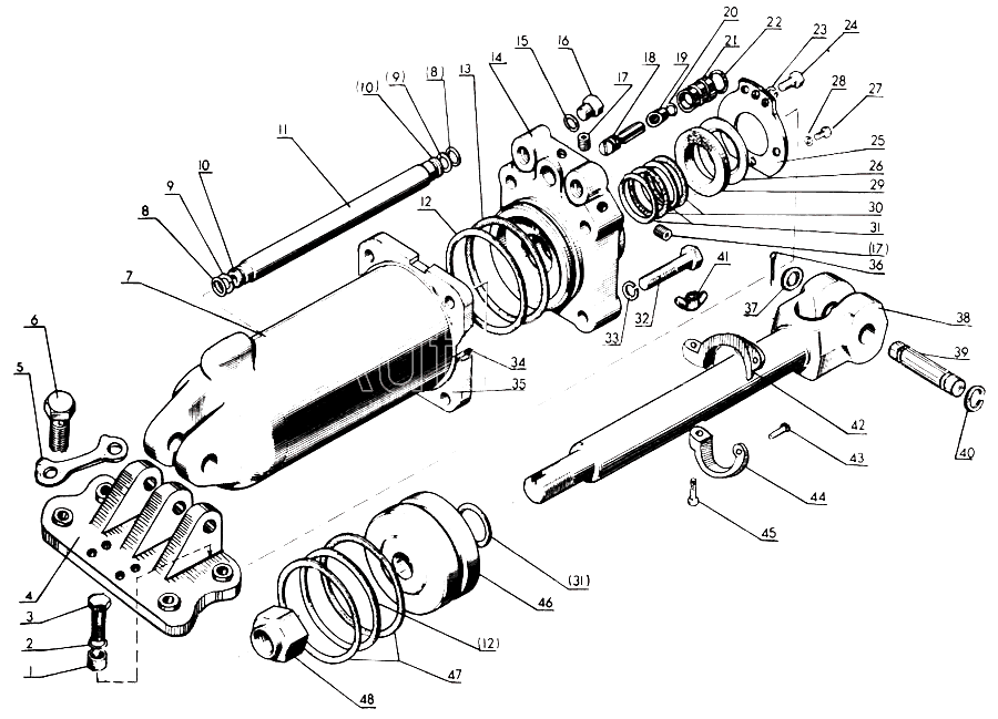
Каталог запчастей на трактор МТЗ-80, 82
№ |
чертежный номер |
название запчасти |
- |
Ц100х200-3 |
Цилиндр |
1 |
70-4605041 |
Втулка |
2 |
20.01.019 ГОСТ 11371-78 |
Шайба |
3 |
70-4605036-01 |
Болт |
4 |
70-4605017-А |
Кронштейн |
5 |
70-4605034 |
Пластина |
6 |
70-4605036 |
Болт |
7 |
Ц100х200.007-01 |
Корпус цилиндра |
8 |
Кольцо 016-021-30-2-3 ГОСТ 9833-73 |
Кольцо 016-021-30-2-3 ГОСТ 9833-73 |
9 |
Ц100х200.053 |
Кольцо защитное |
10 |
Ц90-1212027 |
Шайба |
11 |
Ц100х200.026 |
Маслопровод |
12 |
Ц100-1313043 |
Кольцо |
13 |
Ц100-1313042 |
Кольцо защитное |
14 |
Ц100х200.021-01 |
Крышка |
15 |
Кольцо 018-022-25-2-2 ГОСТ 9833-73 |
Кольцо 018-022-25-2-2 ГОСТ 9833-73 |
16 |
Ц50х160.061 |
Заглушка |
17 |
Ц90-1212056 |
Заглушка 1/4" |
18 |
Ц90-1212004-А |
Клапан с уплотнением |
19 |
Ц90-1212034 |
Втулка |
20 |
Ц90-1212047 |
Кольцо |
21 |
Ц90-1212033-А |
Корпус клапана |
22 |
Ц90-1212046 |
Кольцо |
23 |
Шайба 8Т 65Г ГОСТ 6402-70 |
Шайба 8Т 65Г ГОСТ 6402-70 |
24 |
Болт М8-6gх16.88.019 ГОСТ 7796-70 |
Болт М8-6gх16.88.019 ГОСТ 7796-70 |
25 |
Ц100х200.035-А |
Крышка чистиков |
26 |
Ц80х200.036 |
Скребок |
27 |
Болт М6gх14.88.35.019 ГОСТ 7796-70 |
Болт М6gх14.88.35.019 ГОСТ 7796-70 |
28 |
Шайба 6Т 65Г ГОСТ 6402-70 |
Шайба 6Т 65Г ГОСТ 6402-70 |
29 |
Ц80х200.037 |
Манжета |
30 |
Ц100х200.056 |
Кольцо |
31 |
Ц110-1414044 |
Кольцо |
32 |
Болт М16-6gх80.88.35.019 ГОСТ 7796-70 |
Болт М16-6gх80.88.35.019 ГОСТ 7796-70 |
33 |
Шайба 16Т 65Г ГОСТ 6402-70 |
Шайба 16Т 65Г ГОСТ 6402-70 |
34 |
Ц100х200.065 |
Кольцо стопорное |
35 |
Ц100х200.025-1 |
Фланец |
36 |
Шплинт 5х36 ГОСТ 397-79 |
Шплинт 5х36 ГОСТ 397-79 |
37 |
70-4619042 |
Шайба |
38 |
Ц100х200.003-1 |
Шток |
39 |
Ц90-1212037-М |
Палец |
40 |
50-3406022 |
Кольцо |
41 |
Ц90-1212031-А |
Гайка-барашек |
42 |
Ц110-1414028-Б |
Упор |
43 |
Ц90-1212030 |
Палец упора |
44 |
Ц110-1414029-Б |
Полукольцо упора |
45 |
Болт М6-6gх35.88.35.019 ГОСТ 7796-70 |
Болт М6-6gх35.88.35.019 ГОСТ 7796-70 |
46 |
Ц100-1313023-Г |
Поршень |
47 |
Ц100х200.055 |
Кольцо |
48 |
Ц100х200.064 |
Гайка |