г.Абакан, ул.Игарская, 5 (район "АЯН")+7-901-678-9999 +7-961-093-72-71 |
г.Абакан, ул.Фабричная, 25+7-901-678-0000 |
г.Минусинск, ул.Чайковского, 49+7-901-678-7777 8-(3913)-25-06-60 |
| ГЛАВНАЯ | АССОРТИМЕНТ | КАТАЛОГИ | ДОСТАВКА | КОНТАКТЫ |
Каталог запчастей на трактор МТЗ-80, 82
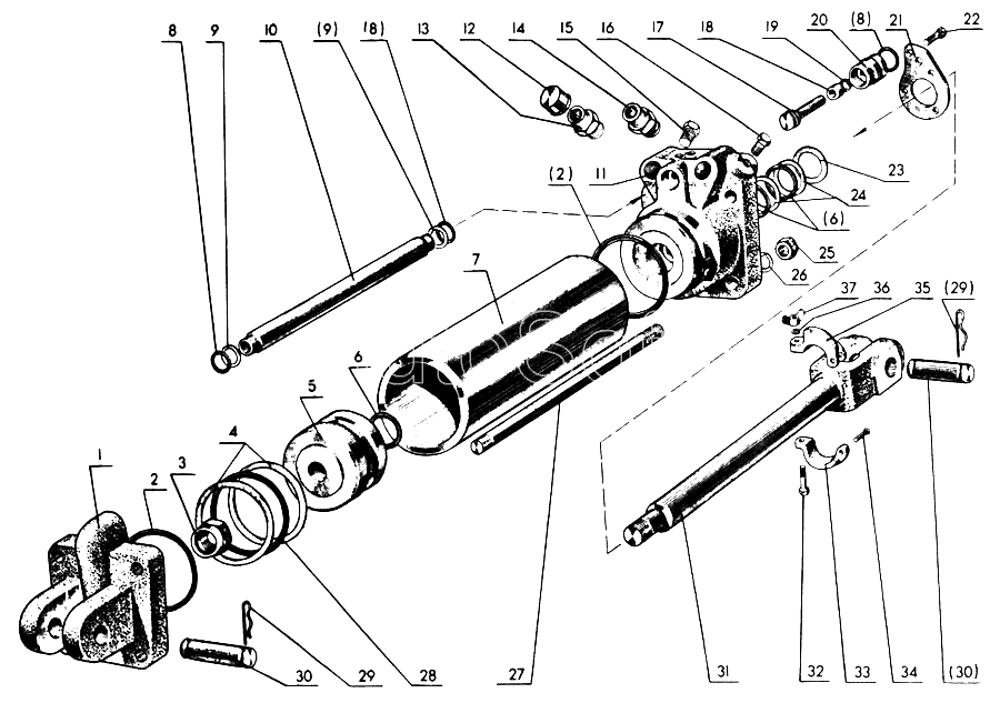
№ |
чертежный номер |
название запчасти |
- |
Ц75-1111001-А |
Цилиндр Ц75х 200-2 (поставляется по заказу потребителей) |
1 |
Ц75-1111020-Г |
Крышка задняя |
2 |
Ц75-1111045 |
Кольцо |
3 |
Ц90-1212007-А |
Гайка |
4 |
Ц75-1111042 |
Прокладка |
5 |
Ц75-1111023-А |
Поршень |
6 |
Ц90-1212044-А |
Кольцо |
7 |
Ц75-1111022 |
Корпус |
8 |
Ц90-1212046 |
Кольцо |
9 |
Ц90-1212027 |
Шайба |
10 |
Ц90-1212026-А |
Маслопровод |
11 |
Ц75-1111021-Б |
Крышка передняя |
12 |
50-4607124 |
Колпак |
13 |
Н.036.60.020 |
Замедлительный клапан |
14 |
Н.036.05.002 |
Штуцер |
15 |
Ц90-1212057 |
Заглушка 1/2" |
16 |
Ц90-1212056 |
Заглушка 1/4" |
17 |
Ц90-1212004-А |
Клапан с уплотнением |
18 |
Ц90-1212034 |
Втулка |
19 |
Ц90-1212047 |
Кольцо |
20 |
Ц90-1212033-А |
Корпус клапана |
21 |
Ц90-1212035-А |
Крышка чистиков |
22 |
Болт М6-6gх14.56.019 ГОСТ 7798-70 |
Болт М6-6gх14.56.019 ГОСТ 7798-70 |
23 |
Ц90-1212036 |
Чистик |
24 |
Ц90-1212048 |
Прокладка |
25 |
Гайка М12.6Н.6.019 ГОСТ 15521-70 |
Гайка М12.6Н.6.019 ГОСТ 15521-70 |
26 |
Шайба 12Т 65Г 06 ГОСТ 6402-70 |
Шайба 12Т 65Г 06 ГОСТ 6402-70 |
27 |
Ц90-1212041-А |
Шпилька |
28 |
Ц75-1111043 |
Кольцо |
29 |
15.62059 |
Шплинт |
30 |
Ц90-1212037-В |
Палец |
31 |
Ц90-1212002-А |
Шток |
32 |
Болт М6-6gх35 56.019 ГОСТ 7798-70 |
Болт М6-6gх35 56.019 ГОСТ 7798-70 |
33 |
Ц90-1212029-А |
Полукольцо нижнее |
34 |
Ц90-1212030 |
Палец упора |
35 |
Ц90-1212028-А |
Упор |
36 |
Шайба 6Т 65Г 06 ГОСТ 6402-70 |
Шайба 6Т 65Г 06 ГОСТ 6402-70 |
37 |
Гайка М6.6Н.019 ГОСТ 3032-76 |
Гайка М6.6Н.019 ГОСТ 3032-76 |