г.Абакан, ул.Игарская, 5 (район "АЯН")+7-901-678-9999 +7-961-093-72-71 |
г.Абакан, ул.Фабричная, 25+7-901-678-0000 |
г.Минусинск, ул.Чайковского, 49+7-901-678-7777 8-(3913)-25-06-60 |
| ГЛАВНАЯ | АССОРТИМЕНТ | КАТАЛОГИ | ДОСТАВКА | КОНТАКТЫ |
Каталог запчастей на трактор МТЗ-80, 82
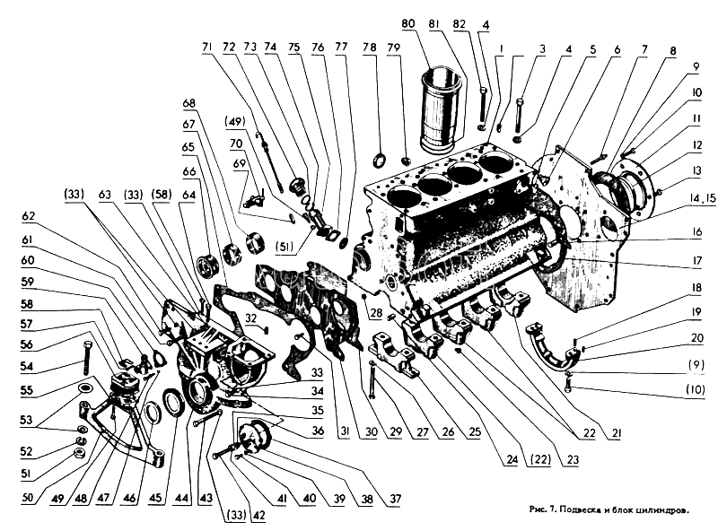
№ |
чертежный номер |
название запчасти |
- |
240-1001010-А |
Опора в сборе |
- |
240-1002001-Б2-01 |
Блок цилиндров в сборе |
- |
240-1002035-01 |
Крышка в сборе |
- |
240-1002060-А-01 |
Крышка шестерен в сборе |
- |
240-1002115-01 |
Горловина с кольцом и патрубком в сборе |
- |
50-1002040-Б |
Опора картера в сборе со штифтом |
- |
50-1002045 |
Опора картера с уплотнением и штифтом в сборе |
- |
А19.01.100-04 |
Крышка с кольцом и пробкой в сборе |
1 |
240-1002015-А3 |
Блок цилиндров |
2 |
240-1002046 |
Штифт |
3 |
240-1002047-01 |
Болт |
4 |
48-1002318 |
Шайба |
5 |
Заглушка 45-019 |
Заглушка 45-019 |
6 |
50-1002318-Б |
Рым |
7 |
50-1002340 |
Фиксатор |
8 |
50-1002316-А2 |
Прокладка |
9 |
Шайба 12 ГОСТ 6402-70 |
Шайба 12 ГОСТ 6402-70 |
10 |
Болт М12-gх35.88.35.019 ГОСТ 7796-70 |
Болт М12-gх35.88.35.019 ГОСТ 7796-70 |
11 |
240-1002300-01 |
Корпус сальника |
12 |
Манжета 1-100х125-4 ГОСТ 8752-70 |
Манжета 1-100х125-4 ГОСТ 8752-70 |
13 |
Болт М10-6gх25.88.35.019 ГОСТ 7796-70 |
Болт М10-6gх25.88.35.019 ГОСТ 7796-70 |
14 |
50-1002313-В |
Лист |
15 |
50Л-1002313 |
Лист |
16 |
50-1005019 |
Штифт |
17 |
240-1002314 |
Прокладка |
18 |
240-1002044 |
Штифт |
19 |
240-1002043 |
Уплотнение |
20 |
50-1002042-Б |
Опора картера |
21 |
50-1005152-В |
Крышка |
22 |
50-1005140-Б |
Крышка |
23 |
240-1002332 |
Пробка КГ 1/8" ГОСТ 12720-67 |
24 |
50-1002034 |
Штифт |
25 |
50-1005141-Б |
Крышка коренного подшипника |
26 |
50-1005161 |
Шайба |
27 |
50-1005159-Б1 |
Болт |
28 |
50-1002326-В |
Заглушка |
29 |
240-1002033 |
Прокладка |
30 |
240-1002030 |
Щит |
31 |
Болт М10-6gх20.88.35.019 ГОСТ 7796-70 |
Болт М10-6gх20.88.35.019 ГОСТ 7796-70 |
32 |
Штифт 8hх16 ГОСТ 3128-70 |
Штифт 8hх16 ГОСТ 3128-70 |
33 |
Шайба 10 ГОСТ 6402-70 |
Шайба 10 ГОСТ 6402-70 |
34 |
Болт М10-6gх45.88.35.019 ГОСТ 7795-70 |
Болт М10-6gх45.88.35.019 ГОСТ 7795-70 |
35 |
Шайба 12 ГОСТ 11371-78 |
Шайба 12 ГОСТ 11371-78 |
36 |
240-1002034 |
Прокладка |
37 |
240-1002038 |
Прокладка |
38 |
240-1002036 |
Крышка |
39 |
50-1022067 |
Кольцо уплотнительное |
40 |
Болт М8-6gх25.88.35.019 ГОСТ 7796-70 |
Болт М8-6gх25.88.35.019 ГОСТ 7796-70 |
41 |
Гайка М12.6.019 ГОСТ 5915-70 |
Гайка М12.6.019 ГОСТ 5915-70 |
42 |
240-1002039 |
Болт |
43 |
Болт М10-6gх75.88.35.019 ГОСТ 7796-70 |
Болт М10-6gх75.88.35.019 ГОСТ 7796-70 |
44 |
240-1002065-А |
Крышка шестерен |
45 |
50-1002066 |
Маслоотражатель |
46 |
Манжета 2-50х70-4 ГОСТ 8752-70 |
Манжета 2-50х70-4 ГОСТ 8752-70 |
47 |
Шайба 6 ГОСТ 6402-70 |
Шайба 6 ГОСТ 6402-70 |
48 |
240-3802005 |
Болт |
49 |
Болт М8-6gх20.88.35.019 ГОСТ 7796-70 |
Болт М8-6gх20.88.35.019 ГОСТ 7796-70 |
50 |
240-1001015-А1 |
Опора |
51 |
Гайка М16.6Н.6.019 ГОСТ 5915-70 |
Гайка М16.6Н.6.019 ГОСТ 5915-70 |
52 |
Шайба 16 ГОСТ 6402-70 |
Шайба 16 ГОСТ 6402-70 |
53 |
Шайба 16 ГОСТ 11371-78 |
Шайба 16 ГОСТ 11371-78 |
54 |
Болт М16-6gх80.88.35.019 ГОСТ 7796-70 |
Болт М16-6gх80.88.35.019 ГОСТ 7796-70 |
55 |
Шайба 8 ГОСТ 6402-70 |
Шайба 8 ГОСТ 6402-70 |
56 |
240-1001025 |
Амортизатор |
57 |
Болт М6-6gх16.88.35.019 ГОСТ 7796-70 |
Болт М6-6gх16.88.35.019 ГОСТ 7796-70 |
58 |
240-1001017 |
Прокладка |
59 |
ПТ-3802010-09 |
Привод тахоспидометра |
60 |
50-1021012 |
Прокладка |
61 |
Болт М10-6gх60.88.35.019 ГОСТ 7796-70 |
Болт М10-6gх60.88.35.019 ГОСТ 7796-70 |
62 |
Болт М10-6gх30.88.35.019 ГОСТ 7796-70 |
Болт М10-6gх30.88.35.019 ГОСТ 7796-70 |
63 |
Гайка М10-6.019 ГОСТ 5915-70 |
Гайка М10-6.019 ГОСТ 5915-70 |
64 |
Болт М10-6gх35.88.35.019 ГОСТ 7796-70 |
Болт М10-6gх35.88.35.019 ГОСТ 7796-70 |
65 |
240-1002064 |
Прокладка |
66 |
240-1002069 |
Втулка |
67 |
240-1002067 |
Втулка |
68 |
240-1002068 |
Втулка |
69 |
240-1002323Б |
Трубка |
70 |
Краник Кр2 |
Краник Кр2 |
71 |
240-1002320-В-а2 |
Масломер |
72 |
А19.01.001 |
Пробка |
73 |
042-048-30-2-1 |
Кольцо |
74 |
А19.01.003 |
Кольцо |
75 |
240-1002088-В-01 |
Патрубок |
76 |
240-1002082-А |
Прокладка |
77 |
240-1002085 |
Сетка |
78 |
240-1002328 |
Заглушка |
79 |
50-1002327-А |
Пробка |
80 |
50-1002021-А4 |
Гильза цилиндров |
81 |
50-1002022-01 |
Кольцо гильзы |
82 |
240-1002047 |
Болт |