г.Абакан, ул.Игарская, 5 (район "АЯН")+7-901-678-9999 +7-961-093-72-71 |
г.Абакан, ул.Фабричная, 25+7-901-678-0000 |
г.Минусинск, ул.Чайковского, 49+7-901-678-7777 8-(3913)-25-06-60 |
| ГЛАВНАЯ | АССОРТИМЕНТ | КАТАЛОГИ | ДОСТАВКА | КОНТАКТЫ |
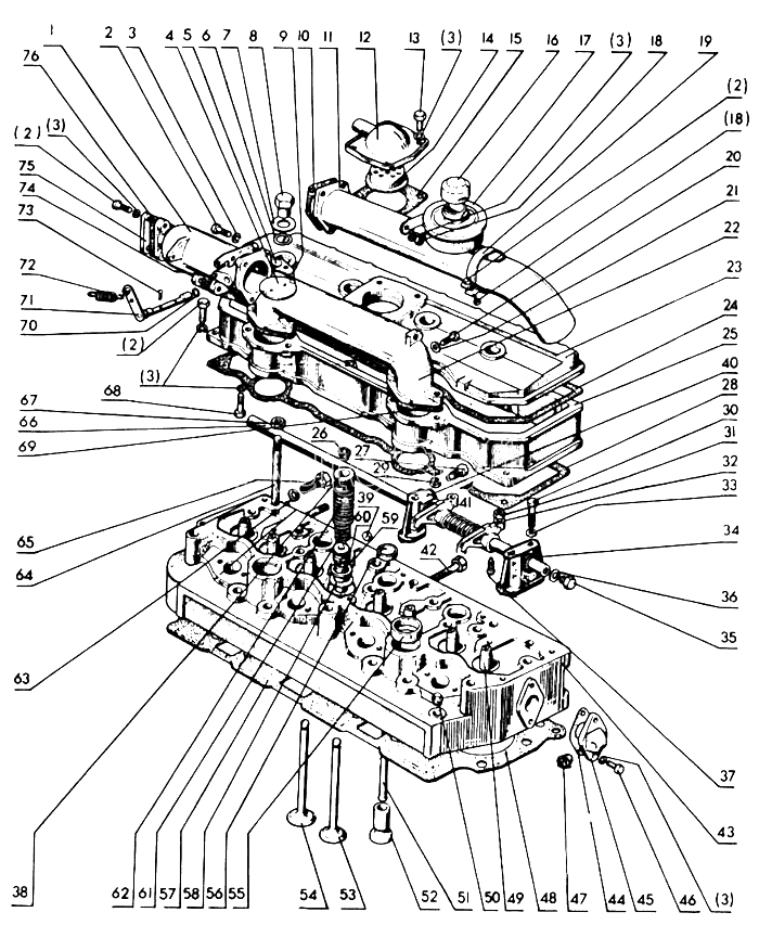
Каталог запчастей на трактор МТЗ-80, 82
№ |
чертежный номер |
название запчасти |
- |
240-1003012 |
Головка цилиндров в сборе |
- |
240-1003013 |
Головка цилиндров в сборе |
- |
240-1003030-13 |
Крышка головки |
- |
240-1003220-А-08 |
Патрубок в сборе |
- |
240-1007151-Б-01 |
Стойка задняя |
- |
240-1007152Б-01 |
Стойка третья |
1 |
240-1003222-Б-01 |
Патрубок |
2 |
Болт М8-6gх35.88.30.019 ГОСТ 7796-70 |
Болт М8-6gх35.88.30.019 ГОСТ 7796-70 |
3 |
Шайба 8 ГОСТ 6402-70 |
Шайба 8 ГОСТ 6402-70 |
4 |
240-1003221 |
Заслонка |
5 |
240-1003229-01 |
Заглушка |
6 |
50-1003107-А |
Кольцо |
7 |
50-1003106 |
Шайба |
8 |
50-1003104 |
Гайка колпака |
9 |
240-3509157 |
Прокладка |
10 |
240-1003264-А |
Прокладка |
11 |
240-1003260 |
Труба |
12 |
240-1002430-В |
Корпус сапуна |
13 |
Болт М8-6gх16.88.35.019 ГОСТ 7796-70 |
Болт М8-6gх16.88.35.019 ГОСТ 7796-70 |
14 |
240-1002440 |
Фильтр |
15 |
240-1002444-А |
Прокладка |
16 |
240-3707200 |
Пробка |
17 |
240-3707140-А |
Бачок |
18 |
Гайка М8.6.019 ГОСТ 5915-70 |
Гайка М8.6.019 ГОСТ 5915-70 |
19 |
ХС-61.019 |
Хомут |
20 |
240-1003281 |
Пробка |
21 |
36-11047-88 |
Прокладка |
22 |
240-1103033-01 |
Коллектор |
23 |
240-1003122Б-02 |
Колпак |
24 |
240-1003109 |
Прокладка |
25 |
240-1003032-01 |
Крышка головки |
26 |
50-1007053-А1 |
Сухарь клапана |
27 |
240-1007185 |
Фиксатор |
28 |
240-1003108 |
Прокладка |
29 |
Шайба 10 ГОСТ 6402-70 |
Шайба 10 ГОСТ 6402-70 |
30 |
Болт М12-6gх85.88.35.019 ГОСТ 7796-70 |
Болт М12-6gх85.88.35.019 ГОСТ 7796-70 |
31 |
Д02-063 |
Гайка |
32 |
50-1007212 |
Коромысло |
33 |
Шайба 12 ГОСТ 6402-70 |
Шайба 12 ГОСТ 6402-70 |
34 |
240-1007151-Б |
Стойка передняя |
35 |
50-1007182 |
Пробка |
36 |
50-1007183 |
Шайба |
37 |
50-1007175-Б1 |
Винт |
38 |
240-1007048 |
Тарелка |
39 |
Д02-003-А |
Заглушка |
40 |
240-1007152-Б |
Стойка вторая |
41 |
50-1007103-А |
Пружина |
42 |
Болт М12-6gх85.88.35.019 ГОСТ 7796-70 |
Болт М12-6gх85.88.35.019 ГОСТ 7796-70 |
43 |
240-1003015 |
Головка цилиндров |
44 |
50-1015598 |
Прокладка |
45 |
70-8115022-А |
Патрубок |
46 |
Болт М8-6gх20.88.35.019 ГОСТ 7796-70 |
Болт М8-6gх20.88.35.019 ГОСТ 7796-70 |
47 |
КГ 3/8" |
Пробка |
48 |
Ф-4.118.3 |
Кольцо |
49 |
240-1007032-Б-01 |
Втулка |
50 |
КГ 3/4" |
Пробка |
51 |
240-1007310 |
Штанга |
52 |
240-1007375 |
Толкатель |
53 |
240-1007015Б4 |
Клапан выпускной |
54 |
240-1007014Б4 |
Клапан впускной |
55 |
50-1003103-А |
Стакан |
56 |
50-1003117-А |
Заглушка |
57 |
50-1003020-А2-01 |
Прокладка |
58 |
240-1007054 |
Шайба |
59 |
240-1007055 |
Шайба |
60 |
240-1007020 |
Манжета |
61 |
240-1007046-А1 |
Пружина клапана |
62 |
240-1007045-А1 |
Пружина клапана |
63 |
245-3701069 |
Шайба |
64 |
50-1003112 |
Шпилька |
65 |
Болт М12-6gх35.88.35.019 ГОСТ 7796-70 |
Болт М12-6gх35.88.35.019 ГОСТ 7796-70 |
66 |
50-1007102-А |
Ось |
67 |
Гайка М12.6 ГОСТ 5915-70 |
Гайка М12.6 ГОСТ 5915-70 |
68 |
Болт М8-6х35.88.35.019 ГОСТ 7796-70 |
Болт М8-6х35.88.35.019 ГОСТ 7796-70 |
69 |
240-1003031-01 |
Прокладка |
70 |
Кольцо 009-013-25-2-1 ГОСТ 9833-73 |
Кольцо 009-013-25-2-1 ГОСТ 9833-73 |
71 |
240-1003240-А |
Валик заслонки |
72 |
240-1003226 |
Пружина |
73 |
Болт М4-6gх10.58.019 ГОСТ 17473-72 |
Болт М4-6gх10.58.019 ГОСТ 17473-72 |
74 |
240-1003227 |
Штифт |
75 |
240-1003229 |
Заглушка |
76 |
240-3507115-А |
Прокладка |