г.Абакан, ул.Игарская, 5 (район "АЯН")+7-901-678-9999 +7-961-093-72-71 |
г.Абакан, ул.Фабричная, 25+7-901-678-0000 |
г.Минусинск, ул.Чайковского, 49+7-901-678-7777 8-(3913)-25-06-60 |
| ГЛАВНАЯ | АССОРТИМЕНТ | КАТАЛОГИ | ДОСТАВКА | КОНТАКТЫ |
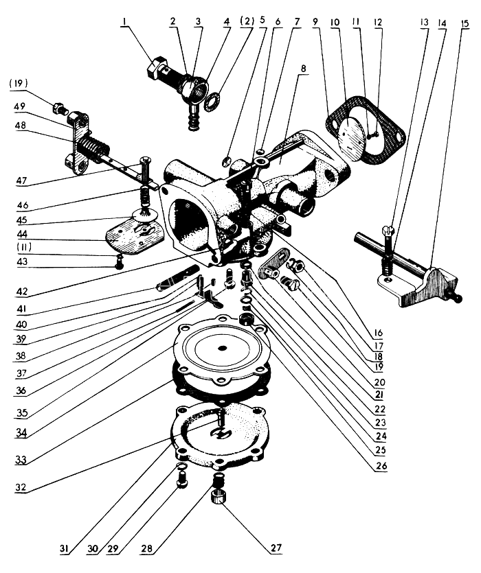
Каталог запчастей на трактор МТЗ-80, 82
№ |
чертежный номер |
название запчасти |
- |
11.1107011 |
Карбюратор в сборе |
- |
11.1107305 |
Клапан обратный в сборе с замком, шайбой и пластиной |
- |
11.1107565 |
Заслонка воздушная в сборе |
- |
К06-1107200 |
Крышка в сборе |
1 |
К13-1107207 |
Болт штуцера |
2 |
002502-07 |
Шайба |
3 |
К16А-1107122 |
Штуцер |
4 |
К13-1107208 |
Сетка |
5 |
11.1107032 |
Заглушка |
6 |
К16-1107102-Б |
Винт |
7 |
11.1107033 |
Заглушка |
8 |
11.1107106.2 |
Корпус |
9 |
Д24-093 |
Прокладка |
10 |
11.1107891 |
Заслонка дроссельная |
11 |
Шайба 3Т 65Г 016 ОСТ 37.001.115-74 |
Шайба 3Т 65Г 016 ОСТ 37.001.115-74 |
12 |
00.1300-16 |
Винт М3-6gх10.48.016 ОСТ 37.001.127-75 |
13 |
11.1107926 |
Винт |
14 |
003700-04 |
Пружина |
15 |
11.1107820 |
Валик |
16 |
003700-08 |
Пружина |
17 |
002100-3 |
Гайка М6.6Н.5.019 ОСТ 37.001.124-75 |
18 |
Шайба 6Л 65Г 016 ОСТ 37.001.115-74 |
Шайба 6Л 65Г 016 ОСТ 37.001.115-74 |
19 |
11.1107549 |
Винт муфты |
20 |
11.1107540 |
Рычаг |
21 |
11.1107021 |
Шайба |
22 |
11.1107171 |
Распылитель |
23 |
11.1107308 |
Замок клапана |
24 |
11.1107309 |
Шайба |
25 |
11.1107307 |
Пластина клапана |
26 |
11.1107306 |
Корпус клапана |
27 |
К06-1107202 |
Кнопка |
28 |
003700-03 |
Пружина |
29 |
001300-04 |
Винт М5-6gх12.48.016 ОСТ 37.001.127-75 |
30 |
Шайба 5 65Г 016 ОСТ 37.001.115-74 |
Шайба 5 65Г 016 ОСТ 37.001.115-74 |
31 |
К06-1107201-10 |
Крышка |
32 |
К06-1107203-10 |
Утопитель диафрагмы |
33 |
11.1107029 |
Прокладка |
34 |
11.1107370 |
Мембрана |
35 |
К22.1107616 |
Винт |
36 |
11.1107386 |
Рычаг |
37 |
К02-1107117-А |
Ось |
38 |
К06-1107106 |
Пружина |
39 |
11.1107675 |
Игла клапана |
40 |
11.1107674 |
Седло |
41 |
11.1107114 |
Шпилька |
42 |
11.1107216 |
Жиклер |
43 |
1300 |
Винт М3-6gх8.48.016 ОСТ 37.001.127-75 |
44 |
11.1107571 |
Заслонка |
45 |
11.1107577 |
Клапан |
46 |
11.1107578 |
Пружина |
47 |
11.1107576 |
Ось |
48 |
11.1107575 |
Пружина |
49 |
11.1107520 |
Валик заслонки |