г.Абакан, ул.Игарская, 5 (район "АЯН")+7-901-678-9999 +7-961-093-72-71 |
г.Абакан, ул.Фабричная, 25+7-901-678-0000 |
г.Минусинск, ул.Чайковского, 49+7-901-678-7777 8-(3913)-25-06-60 |
| ГЛАВНАЯ | АССОРТИМЕНТ | КАТАЛОГИ | ДОСТАВКА | КОНТАКТЫ |
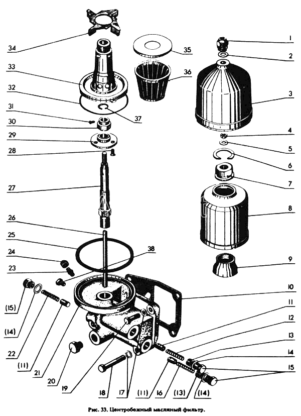
Каталог запчастей на трактор МТЗ-80, 82
№ |
чертежный номер |
название запчасти |
- |
240-1404010-05 |
Масляный фильтр в сборе |
- |
240-1404020-А2 |
Ротор с осью в сборе |
- |
240-1404030-А |
Стакан с гайкой и кольцом в сборе |
- |
240-1404080-А |
Ось в сборе |
1 |
14-1060-1 |
Гайка |
2 |
240-1404039 |
Шайба |
3 |
240-1404040-01 |
Колпак |
4 |
Гайка М12х1,25.6.019 ГОСТ 5916-70 |
Гайка М12х1,25.6.019 ГОСТ 5916-70 |
5 |
Д37А-1407607В |
Шайба |
6 |
240-1404033 |
Кольцо |
7 |
240-1404035-А |
Гайка |
8 |
240-1404023 |
Стакан |
9 |
240-1404049 |
Стакан |
10 |
240-1404068 |
Гайка колпака |
11 |
50-1404071 |
Клапан |
12 |
50-1404081-А |
Пружина |
13 |
50-1404072 |
Пробка |
14 |
Д09-035-А |
Прокладка |
15 |
50-1404075-01 |
Пробка |
16 |
50-1404083-А |
Пружина |
17 |
36-1104788 |
Прокладка |
18 |
Болт М10-6gх50.88.35.019 ГОСТ 7798-70 |
Болт М10-6gх50.88.35.019 ГОСТ 7798-70 |
19 |
Болт М10-6gх30.88.35.019 ГОСТ 7795-70 |
Болт М10-6gх30.88.35.019 ГОСТ 7795-70 |
20 |
50-1404077-А |
Пробка |
21 |
240-1404067-А |
Корпус |
22 |
50-1404085-А |
Пружина |
23 |
Штуцер 1-6 ГОСТ 9113-67 |
Штуцер 1-6 ГОСТ 9113-67 |
24 |
Р143-10-А1 |
Заглушка (деталь технологическая) |
25 |
50-1404059-Б1 |
Прокладка |
26 |
240-1404013 |
Трубка |
27 |
240-1404012-Б |
Ось |
28 |
Винт М6-6gх14.58.019 ГОСТ 17475-72 |
Винт М6-6gх14.58.019 ГОСТ 17475-72 |
29 |
240-1404019 |
Крышка |
30 |
240-1404090-Б |
Насадок |
31 |
240-1404028 |
Штифт 5х8.11 |
32 |
Кольцо 115-120-30-2-1 ГОСТ 9833-73 |
Кольцо 115-120-30-2-1 ГОСТ 9833-73 |
33 |
240-1404017 |
Корпус |
34 |
240-1404024 |
Крыльчатка |
35 |
240-1404113 |
Крышка |
36 |
240-1404110 |
Сетка фильтрующая |
37 |
240-1404118 |
Кольцо |
38 |
КГ 1/4" |
Пробка |