г.Абакан, ул.Игарская, 5 (район "АЯН")+7-901-678-9999 +7-961-093-72-71 |
г.Абакан, ул.Фабричная, 25+7-901-678-0000 |
г.Минусинск, ул.Чайковского, 49+7-901-678-7777 8-(3913)-25-06-60 |
| ГЛАВНАЯ | АССОРТИМЕНТ | КАТАЛОГИ | ДОСТАВКА | КОНТАКТЫ |
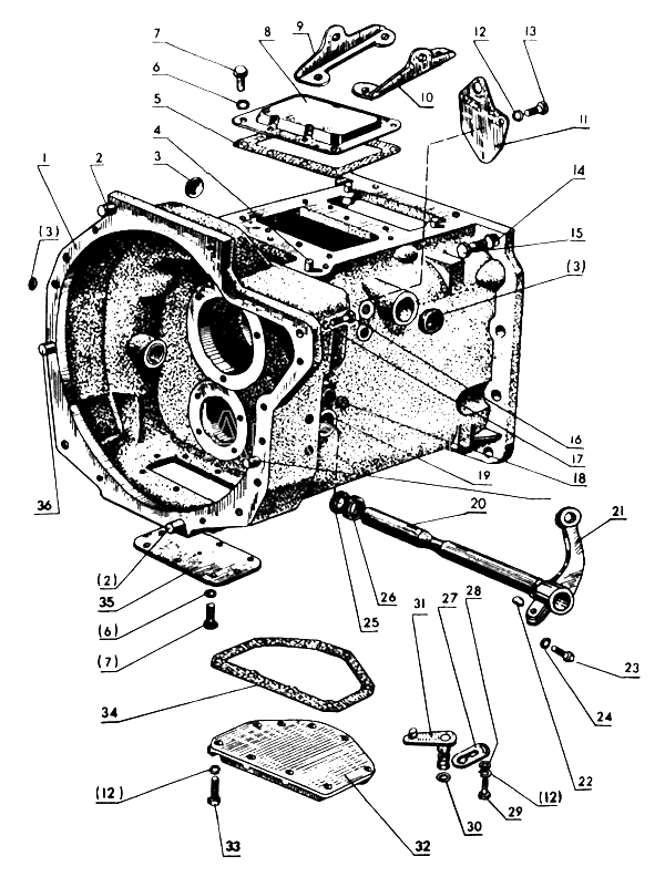
Каталог запчастей на трактор МТЗ-80, 82
№ |
чертежный номер |
название запчасти |
- |
70-1600010 |
Корпус сцепления |
1 |
70-1601015 |
Корпус сцепления (включает дет. 50-3503064) |
2 |
Д01-015 |
Штифт установочный |
3 |
50-1601022 |
Заглушка |
4 |
Штифт 10Пр2,2ах25-06 ГОСТ 3128-70 |
Штифт 10Пр2,2ах25-06 ГОСТ 3128-70 |
5 |
50-1601345 |
Прокладка |
6 |
8Т ОСТ 37.001.115-75 |
Шайба |
7 |
Болт М8-6gх16.88.35.019 ГОСТ 7796-70 |
Болт М8-6gх16.88.35.019 ГОСТ 7796-70 |
8 |
50-1601344-А |
Крышка |
9 |
70-1108163 |
Кронштейн правый |
10 |
70-1108162 |
Кронштейн левый |
11 |
50-1601348 |
Крышка |
12 |
Шайба 10 ОТ ОСТ 37.001.115-74 |
Шайба 10 ОТ ОСТ 37.001.115-74 |
13 |
Болт М10-6gх18.88.35.019 ГОСТ 7796-70 |
Болт М10-6gх18.88.35.019 ГОСТ 7796-70 |
14 |
Шайба 16 ОТ ОСТ 37.001.115-74 |
Шайба 16 ОТ ОСТ 37.001.115-74 |
15 |
Болт М16-6gх50.88.35.019 ГОСТ 7796-70 |
Болт М16-6gх50.88.35.019 ГОСТ 7796-70 |
16 |
Болт М14-6gх60.88.35.019 ГОСТ 7796-70 |
Болт М14-6gх60.88.35.019 ГОСТ 7796-70 |
17 |
Шайба 14 ОТ 65Г 06 ОСТ 37.001.115-74 |
Шайба 14 ОТ 65Г 06 ОСТ 37.001.115-74 |
18 |
Пробка 11/4" ГОСТ 12719-67 |
Пробка 11/4" ГОСТ 12719-67 |
19 |
50-3503064 |
Втулка |
20 |
50-1601215 |
Вал вилок включения |
21 |
80-1601219-Б |
Рычаг |
22 |
Шпонка сегментная 6х11 ГОСТ 8795-68 |
Шпонка сегментная 6х11 ГОСТ 8795-68 |
23 |
Болт М12-6gх30.88.019 ГОСТ 7796-70 |
Болт М12-6gх30.88.019 ГОСТ 7796-70 |
24 |
Шайба 12 ОТ 65Г.06 ОСТ 37.001.115-74 |
Шайба 12 ОТ 65Г.06 ОСТ 37.001.115-74 |
25 |
Кольцо СП-38-25-8 ГОСТ 6308-71 |
Кольцо СП-38-25-8 ГОСТ 6308-71 |
26 |
36-1601016 |
Корпус пылеотражателя |
27 |
80-1601099 |
Пластина |
28 |
Шайба 10.01.019 ГОСТ 11371-78 |
Шайба 10.01.019 ГОСТ 11371-78 |
29 |
Болт М10-6gх20.88.35.019 ГОСТ 7796-70 |
Болт М10-6gх20.88.35.019 ГОСТ 7796-70 |
30 |
Кольцо 020-025-30-1-4 |
Кольцо 020-025-30-1-4 |
31 |
70-1601140 |
Валик |
32 |
50-1601315 |
Крышка нижняя |
33 |
Болт М10-6gх25.88.35.019 ГОСТ 7796-70 |
Болт М10-6gх25.88.35.019 ГОСТ 7796-70 |
34 |
70-1601314 |
Прокладка крышки |
35 |
50-1601341 |
Крышка сцепления |
36 |
50-1601352 |
Штифт |