. г.Абакан, ул.Игарская, 5 (район "АЯН")
+7-901-678-9999
+7-961-093-72-71
. г.Абакан, ул.Фабричная, 25
+7-901-678-0000

. г.Минусинск, ул.Чайковского, 49
+7-901-678-7777
8-(3913)-25-06-60

Каталог запчастей на трактор МТЗ-80, 82

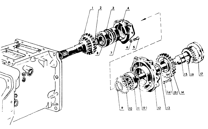
Корпус сцепления и понижающий редуктор

Трактор МТЗ-80, 82 - Корпус сцепления и понижающий редуктор

чертежный номер

название запчасти

1

70-1601026

Вал привода ВОМ

2

50-1601321

Кольцо

3

50-1601027

Шайба упорная

4

70-1601028

Кронштейн

5

Болт М10-6gх25.88.35.019 ГОСТ 7796-70

Болт М10-6gх25.88.35.019 ГОСТ 7796-70

6

Шайба 10 ОТ 65Г 06 ОСТ 37.001.115-74

Шайба 10 ОТ 65Г 06 ОСТ 37.001.115-74

7

Подшипник 307К1 ГОСТ 8338-75

Подшипник 307К1 ГОСТ 8338-75

8

Подшипник 210 ГОСТ 8338-75

Подшипник 210 ГОСТ 8338-75

9

Кольцо 2В55 ГОСТ 13940-68

Кольцо 2В55 ГОСТ 13940-68

10

Кольцо 2В100 ГОСТ 13941-68

Кольцо 2В100 ГОСТ 13941-68

11

Подшипник 211 ГОСТ 8338-75

Подшипник 211 ГОСТ 8338-75

12

70-1721022

Крышка опорная

13

70-1721023

Шайба упорная

14

70-1721031

Шестерня

15

70-1721113-А

Вал силовой передачи

16

Ролик 4х34,8 ГОСТ 6870-72

Ролик 4х34,8 ГОСТ 6870-72

17

70-1721045

Муфта

© Колхозник, 2021 .