г.Абакан, ул.Игарская, 5 (район "АЯН")+7-901-678-9999 +7-961-093-72-71 |
г.Абакан, ул.Фабричная, 25+7-901-678-0000 |
г.Минусинск, ул.Чайковского, 49+7-901-678-7777 8-(3913)-25-06-60 |
| ГЛАВНАЯ | АССОРТИМЕНТ | КАТАЛОГИ | ДОСТАВКА | КОНТАКТЫ |
Каталог запчастей на трактор МТЗ-80, 82
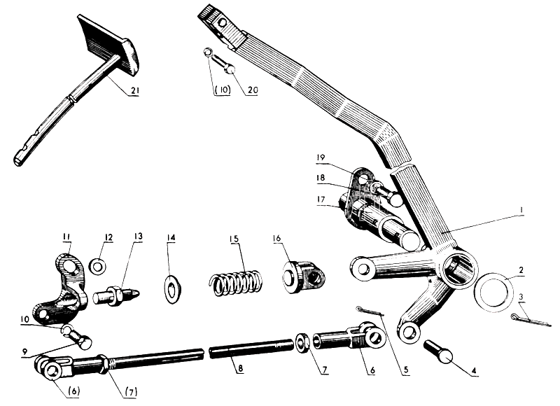
№ |
чертежный номер |
название запчасти |
- |
50-1602110 |
Тяга сцепления с болтом и гайкой в сборе |
- |
50-1602130 |
Кронштейн с шайбой и шайбой упорной в сборе |
- |
70-1602010 |
Управление сцеплением в сборе |
- |
70-1602015 |
Педаль в сборе |
1 |
70-1602020 |
Педаль сцепления |
2 |
50-3406037 |
Шайба упорная |
3 |
Шплинт 5х36-001 ГОСТ 397-66 |
Шплинт 5х36-001 ГОСТ 397-66 |
4 |
260086 |
Палец 12х32.019 ОН 025-196-63 |
5 |
Шплинт 3,2х18-001 ГОСТ 397-66 |
Шплинт 3,2х18-001 ГОСТ 397-66 |
6 |
50-3502203 |
Вилка |
7 |
Гайка М12х1,25.6Н.6.019 ГОСТ 5915-70 |
Гайка М12х1,25.6Н.6.019 ГОСТ 5915-70 |
8 |
50-1602112 |
Тяга сцепления |
9 |
Болт М12-6gх45.88.35.019 ГОСТ 7796-70 |
Болт М12-6gх45.88.35.019 ГОСТ 7796-70 |
10 |
Шайба 12 ОТ 65Г 06 ОСТ 37.001.115-74 |
Шайба 12 ОТ 65Г 06 ОСТ 37.001.115-74 |
11 |
50-1602034-Б |
Кронштейн |
12 |
Шайба 12.01.019 ГОСТ 11371-78 |
Шайба 12.01.019 ГОСТ 11371-78 |
13 |
50-1602033 |
Болт упорный |
14 |
50-1602029 |
Шайба упорная |
15 |
50-1602032 |
Пружина |
16 |
50-1602027 |
Упор |
17 |
70-1602120 |
Фланец оси |
18 |
Болт М10-6gх20.88.35.019 ГОСТ 7796-70 |
Болт М10-6gх20.88.35.019 ГОСТ 7796-70 |
19 |
Шайба 10 ОТ 65Г 06 ОСТ 37.001.115-74 |
Шайба 10 ОТ 65Г 06 ОСТ 37.001.115-74 |
20 |
Болт М12-6gх30.88.35.019 ГОСТ 7786-70 |
Болт М12-6gх30.88.35.019 ГОСТ 7786-70 |
21 |
70-1602040 |
Стержень подушки |