г.Абакан, ул.Игарская, 5 (район "АЯН")+7-901-678-9999 +7-961-093-72-71 |
г.Абакан, ул.Фабричная, 25+7-901-678-0000 |
г.Минусинск, ул.Чайковского, 49+7-901-678-7777 8-(3913)-25-06-60 |
| ГЛАВНАЯ | АССОРТИМЕНТ | КАТАЛОГИ | ДОСТАВКА | КОНТАКТЫ |
Каталог запчастей на трактор МТЗ-80, 82
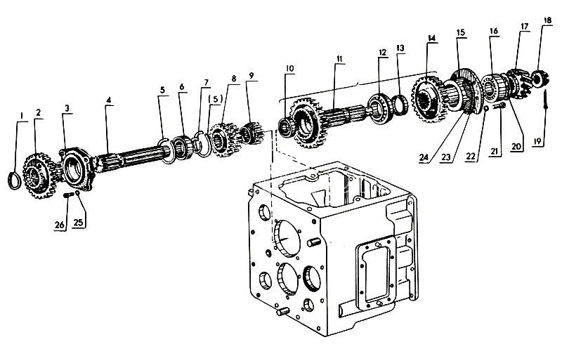
№ |
чертежный номер |
название запчасти |
- |
48-1701030-А |
Вал первичный в сборе |
- |
50-1701040 |
Вал вторичный в сборе |
- |
50-1701050 |
Стакан подшипника в сборе |
1 |
Кольцо 2В60 ГОСТ 13940-68 |
Кольцо 2В60 ГОСТ 13940-68 |
2 |
70-1721025 |
Шестерня понижающего редуктора |
3 |
50-1701034 |
Стакан вала |
4 |
48-1701032-А |
Вал первичный |
5 |
Кольцо 2В90 ГОСТ 13940-68 |
Кольцо 2В90 ГОСТ 13940-68 |
6 |
Подшипник 210 ГОСТ 8338-75 |
Подшипник 210 ГОСТ 8338-75 |
7 |
Кольцо 2В50 |
Кольцо 2В50 |
8 |
50-1701048-А |
Шестерня IV и V передач |
9 |
50-1701045 |
Шестерня III передачи |
10 |
Подшипник 208 ГОСТ 8338-75 |
Подшипник 208 ГОСТ 8338-75 |
11 |
50-1701252 |
Вал вторичный |
12 |
Подшипник 67512К1 ГОСТ 3169-71 |
Подшипник 67512К1 ГОСТ 3169-71 |
13 |
50-1701312 |
Втулка распорная |
14 |
50-1701314 |
Шестерня II ступени редуктора |
15 |
50-1701255 |
Стакан |
16 |
Подшипник 7610А ГОСТ 333-71 |
Подшипник 7610А ГОСТ 333-71 |
17 |
50-1701105-Б |
Шестерня главной передачи (в запасные части поставляется только в комплекте 50-2403014) |
18 |
50-1701253 |
Гайка М36х1,5 |
19 |
Шплинт 5х45-001 ГОСТ 397-66 |
Шплинт 5х45-001 ГОСТ 397-66 |
20 |
50-1701254 |
Шайба |
21 |
Болт М12-6х35.88.35.019 ГОСТ 7796-70 |
Болт М12-6х35.88.35.019 ГОСТ 7796-70 |
22 |
12 ОТ |
Шайба ОСТ 37.001.115-75 |
23 |
50-1701259 |
Прокладка регулировочная 0,5 мм |
24 |
50-1701258 |
Прокладка регулировочная 0,2 мм |
25 |
Шайба 10 ОТ ОСТ 37.001.115-75 |
Шайба 10 ОТ ОСТ 37.001.115-75 |
26 |
Болт М10-6х25.88.35.019 ГОСТ 7796-70 |
Болт М10-6х25.88.35.019 ГОСТ 7796-70 |