г.Абакан, ул.Игарская, 5 (район "АЯН")+7-901-678-9999 +7-961-093-72-71 |
г.Абакан, ул.Фабричная, 25+7-901-678-0000 |
г.Минусинск, ул.Чайковского, 49+7-901-678-7777 8-(3913)-25-06-60 |
| ГЛАВНАЯ | АССОРТИМЕНТ | КАТАЛОГИ | ДОСТАВКА | КОНТАКТЫ |
Каталог запчастей на трактор МТЗ-80, 82
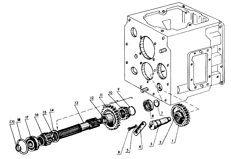
№ |
чертежный номер |
название запчасти |
- |
70-1701080 |
Шестерня с подшипником в сборе |
- |
70-1701380 |
Вал 1-ой передачи и заднего хода в сборе |
1 |
70-1701082 |
Шестерня заднего хода промежуточная |
2 |
Подшипник ЗКК 30-35-46Е |
Подшипник ЗКК 30-35-46Е |
3 |
50-1701434А |
Ось |
4 |
50-1702082А |
Планка |
5 |
Шайба 10 ОТ 65Г 06 ГОСТ 6402-70 |
Шайба 10 ОТ 65Г 06 ГОСТ 6402-70 |
6 |
Болт М10-6gх35.88.35.019 ГОСТ 7796-70 |
Болт М10-6gх35.88.35.019 ГОСТ 7796-70 |
7 |
Х4М-1701163 |
Кольцо |
8 |
Подшипник 208 ГОСТ 8338-75 |
Подшипник 208 ГОСТ 8338-75 |
9 |
Кольцо 2В65 ГОСТ 13940-68 |
Кольцо 2В65 ГОСТ 13940-68 |
10 |
70-1701072 |
Шестерня включения ходоуменьшителя I |
11 |
70-1701224 |
Шестерня привода ходоуменьшителя |
12 |
70-1701225 |
Втулка |
13 |
70-1701382 |
Вал I передачи и з.х. |
14 |
70-1701226 |
Шайба |
15 |
Кольцо 2В50 |
Кольцо 2В50 |
16 |
50-1701212-А |
Шестерня I передачи и заднего хода |
17 |
Подшипник 50308 ГОСТ 2893-73 |
Подшипник 50308 ГОСТ 2893-73 |
18 |
Кольцо КСП-90 ГОСТ 2893-73 |
Кольцо КСП-90 ГОСТ 2893-73 |