г.Абакан, ул.Игарская, 5 (район "АЯН")+7-901-678-9999 +7-961-093-72-71 |
г.Абакан, ул.Фабричная, 25+7-901-678-0000 |
г.Минусинск, ул.Чайковского, 49+7-901-678-7777 8-(3913)-25-06-60 |
| ГЛАВНАЯ | АССОРТИМЕНТ | КАТАЛОГИ | ДОСТАВКА | КОНТАКТЫ |
Каталог запчастей на трактор МТЗ-80, 82
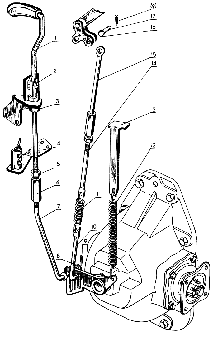
№ |
чертежный номер |
название запчасти |
1 |
82-1802230-Б |
Тяга |
2 |
82-1802150-Б |
Кронштейн |
3 |
82-1802159 |
Уплотнитель |
4 |
82-1802195 |
Кронштейн |
5 |
Гайка М8-6Н.6.019 ГОСТ 5915-70 |
Гайка М8-6Н.6.019 ГОСТ 5915-70 |
6 |
Р50-4616033 |
Муфта |
7 |
82-1802162-А |
Тяга |
8 |
Шайба 01.019 ГОСТ 11371-78 |
Шайба 01.019 ГОСТ 11371-78 |
9 |
Шплинт 3,2х18.019 ГОСТ 397-79 |
Шплинт 3,2х18.019 ГОСТ 397-79 |
10 |
82-1802180 |
Тяга |
11 |
82-1802144 |
Пружина |
12 |
50-1605152 |
Пружина |
13 |
82-1802106 |
Петля |
14 |
82-1802141 |
Стержень |
15 |
82-1802165 |
Тяга |
16 |
70-3507120-01 |
Рычаг |
17 |
Палец 12х32.019 ОСТ 37.001.163-75 |
Палец 12х32.019 ОСТ 37.001.163-75 |