г.Абакан, ул.Игарская, 5 (район "АЯН")+7-901-678-9999 +7-961-093-72-71 |
г.Абакан, ул.Фабричная, 25+7-901-678-0000 |
г.Минусинск, ул.Чайковского, 49+7-901-678-7777 8-(3913)-25-06-60 |
| ГЛАВНАЯ | АССОРТИМЕНТ | КАТАЛОГИ | ДОСТАВКА | КОНТАКТЫ |
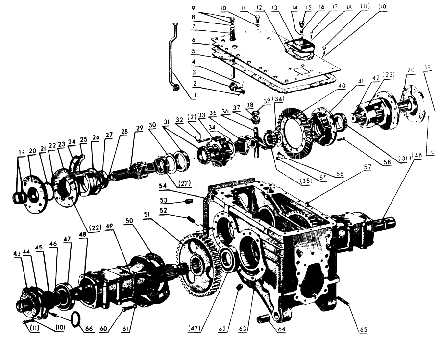
Каталог запчастей на трактор МТЗ-80, 82
№ |
чертежный номер |
название запчасти |
- |
50-2401015 |
Корпус заднего моста в сборе |
- |
50-2401040 |
Валик управления в сборе |
- |
50-2401060-А |
Крышка с сапуном в сборе |
- |
50-2403010 |
Дифференциал в сборе (при поставке в запасные части подшипник 7215К1 ГОСТ 333-71 и деталь 50-2403021-Б не устанавливаются) |
- |
50-2403014-А |
Комплект шестерен главной передачи (состоит из деталей 50-1701105-Б, 50-2403021-Б) |
- |
50-2403015 |
Корпус дифференциала с крышкой в сборе |
- |
50-2407020-А |
Рукав полуоси в сборе |
- |
50-2407030 |
Крышка рукава с манжетой и кольцом в сборе |
- |
50-2407050-А |
Крышка стакана с манжетой и кольцом в сборе |
- |
70-2401010 |
Задний мост в сборе |
- |
70-2407060 |
Стакан левый в сборе |
- |
70-2407060-01 |
Стакан правый в сборе |
1 |
70-2401050-А |
Рычаг переключения ВОМ |
2 |
Проволока 1,6х200 ГОСТ 3282-74 |
Проволока 1,6х200 ГОСТ 3282-74 |
3 |
50-2401020 |
Поводок |
4 |
36-1702110 |
Винт установочный |
5 |
50-2401025-А |
Прокладка |
6 |
70-2401024 |
Крышка |
7 |
50-2401019-Б |
Валик управления |
8 |
Кольцо 020-025-30-1-4 ГОСТ 9833-73 |
Кольцо 020-025-30-1-4 ГОСТ 9833-73 |
9 |
50-2401031 |
Шайба |
10 |
45-9816-6068 |
Шайба 12 01 65 06 ОСТ 37.001.115-74 |
11 |
Болт М12-6gх30.88.35.019 ГОСТ 7796-70 |
Болт М12-6gх30.88.35.019 ГОСТ 7796-70 |
12 |
50-2401027-А |
Прокладка |
13 |
50-2401070-А |
Крышка |
14 |
50-4608062 |
Шайба сапуна |
15 |
50-4608059 |
Пробка сапуна |
16 |
50-4608063 |
Фильтр |
17 |
Болт М8-6gх16.88.35.019 ГОСТ 7796-70 |
Болт М8-6gх16.88.35.019 ГОСТ 7796-70 |
18 |
45-9816-6046 |
Шайба 8Т 656 ОСТ 37.001.115-74 |
19 |
Манжета 2-50х70-1 ГОСТ 8752-70 |
Манжета 2-50х70-1 ГОСТ 8752-70 |
20 |
50-2407059-А |
Крышка стакана |
21 |
Кольцо 104-110-40-1-4 ГОСТ 9833-73 |
Кольцо 104-110-40-1-4 ГОСТ 9833-73 |
22 |
50-1601352 |
Штифт |
23 |
50Х-2407042 |
Стакан подшипников |
24 |
50-2407056 |
Прокладка (0,5 мм) |
25 |
50-2407057 |
Прокладка (0,2 мм) |
26 |
Кольцо 160-165-36-1-4 ГОСТ 9833-73 |
Кольцо 160-165-36-1-4 ГОСТ 9833-73 |
27 |
Подшипник 42212К1 ГОСТ 8328-75 |
Подшипник 42212К1 ГОСТ 8328-75 |
28 |
Кольцо 035-040-30-1-4 ГОСТ 9833-73 |
Кольцо 035-040-30-1-4 ГОСТ 9833-73 |
29 |
70-2407053 |
Шестерня ведущая (левая) |
30 |
50-2407043 |
Кольцо упорное |
31 |
Подшипник 7215К1 ГОСТ 333-71 |
Подшипник 7215К1 ГОСТ 333-71 |
32 |
50-2403034 |
Болт |
33 |
50-2403019 |
Крышка корпуса (в запасные части поставляется только в комплекте 50-2403015) |
34 |
50-2403049-Б |
Шайба опорная |
35 |
50-2403048 |
Шестерня полуосевая |
36 |
50-2403062-А2 |
Крестовина |
37 |
50-2403055-А |
Сателлит с втулкой |
38 |
50-2403056 |
Втулка сателлита |
39 |
50-2403025 |
Шайба опорная |
40 |
50-2403021-Б |
Шестерня ведомая главной передачи (в запасные части поставляется только в комплекте 50-2403014-А) |
41 |
50-2403018 |
Корпус дифференциала (в запасные части поставляется только в комплекте 50-2403015) |
42 |
70-2407053-01 |
Шестерня ведущая (правая) |
43 |
50-2407028 |
Крышка |
44 |
50-2407029 |
Прокладка |
45 |
Манжета 2-80х105-1 ГОСТ 8752-70 |
Манжета 2-80х105-1 ГОСТ 8752-70 |
46 |
Кольцо 2В85 ГОСТ 13940-68 |
Кольцо 2В85 ГОСТ 13940-68 |
47 |
Подшипник 217 ГОСТ 8338-75 |
Подшипник 217 ГОСТ 8338-75 |
48 |
50-2407082-А |
Полуось |
49 |
50-2407018 |
Рукав полуоси |
50 |
50-2407031-Б |
Прокладка |
51 |
50-2407122 |
Шестерня ведомая |
52 |
50-4605027 |
Штифт |
53 |
36-3502037-А |
Втулка |
54 |
50-2401016-Б |
Прокладка |
55 |
Гайка М12.6Н6.19 ГОСТ 5915-70 |
Гайка М12.6Н6.19 ГОСТ 5915-70 |
56 |
50-2403023 |
Пластина стопорная |
57 |
Д01-015 |
Штифт установочный |
58 |
50-1702092 |
Болт призонный М12х42 |
59 |
Болт М12-6gх35.88.35.019 |
Болт М12-6gх35.88.35.019 |
60 |
Болт М16-6gх50.88.35.019 ГОСТ 7796-70 |
Болт М16-6gх50.88.35.019 ГОСТ 7796-70 |
61 |
Шайба 16ОТ 65Г 06 ОСТ 37.001.115-74 |
Шайба 16ОТ 65Г 06 ОСТ 37.001.115-74 |
62 |
Пробка магнитная 1,1/4" |
Пробка магнитная 1,1/4" |
63 |
50-2401015-1 |
Корпус |
64 |
50-2401028 |
Шпилька |
64 |
50-2401032 |
Втулка |
66 |
Кольцо 080-088-46-2-4 ГОСТ 9833-73 |
Кольцо 080-088-46-2-4 ГОСТ 9833-73 |